
低压计量电表怎么设置?低压计量电表主要有两类,一类是由供电部门设置或者认可的电能计量装置,另外一类是业主物业内部进行计量的电能计量装置,本文分为两部分:上半部分以南方电网低压电能计量装置典型设计图集为例,带大家学习和了解供电部门对低压电能计量装置的要求,下半部分带大家了解市场上常用的几款内部计量电表的优缺点。以下是“南方电网低压电能计量装置典型设计”的主要内容:
本文主要通过四大部分:电表通用原理、电表柜(主要设置在低压配电房)、金属电表箱(电表箱外壳为金属材质)、非金属电表箱(电表箱外壳为非金属材质)进行介绍。
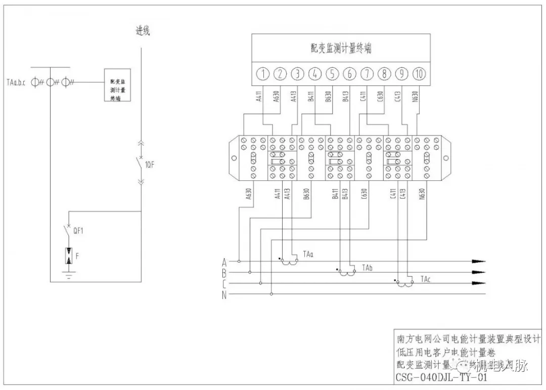
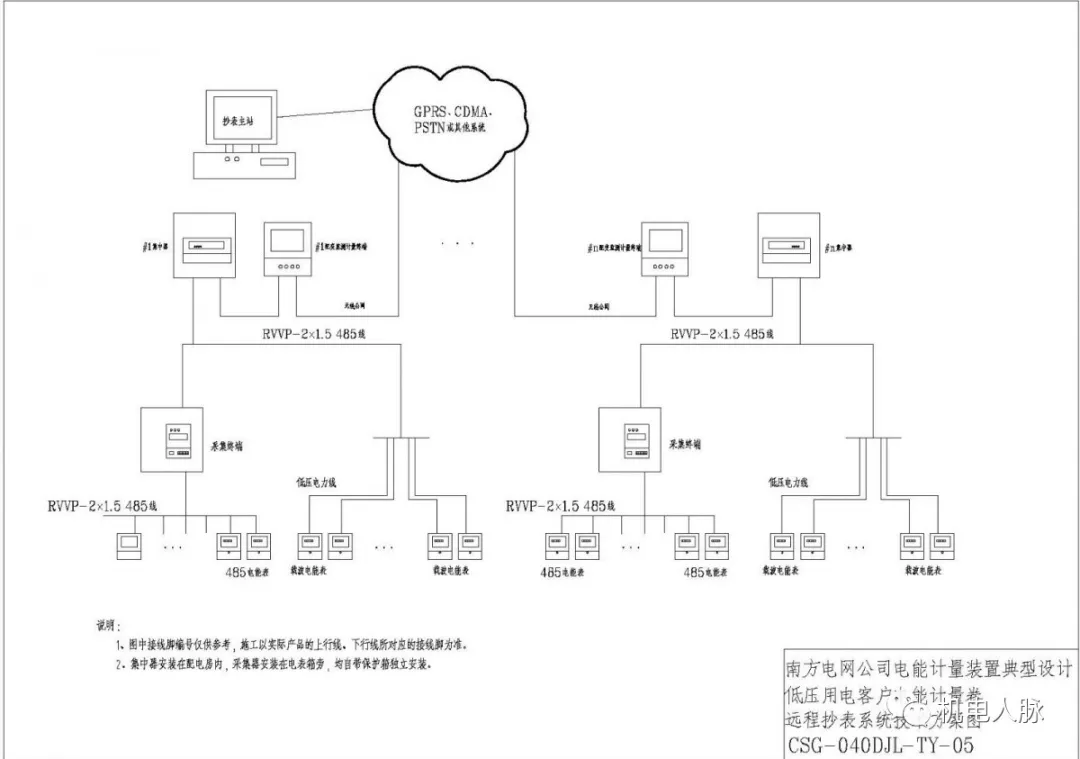
第一章 低压计量通用原理图







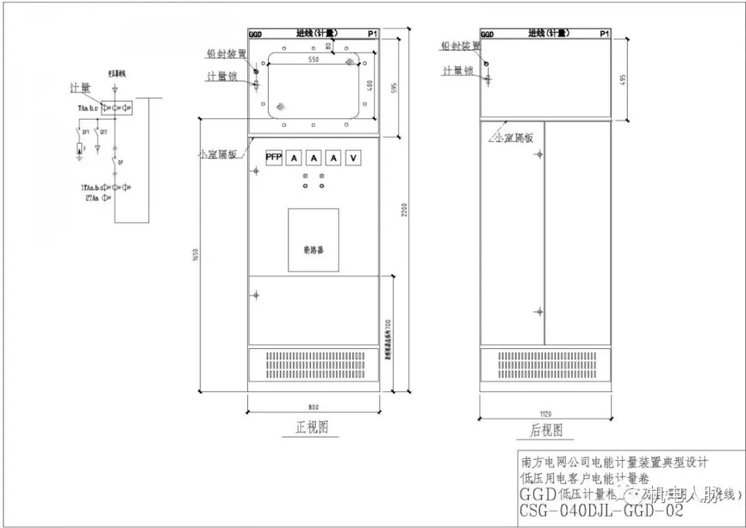
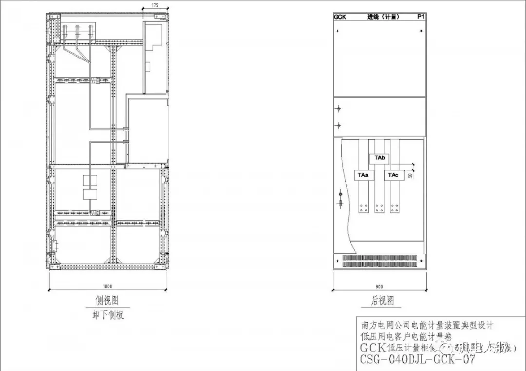
第二章 低压计量柜典型设计



















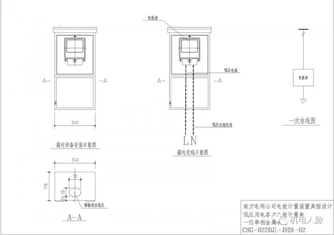
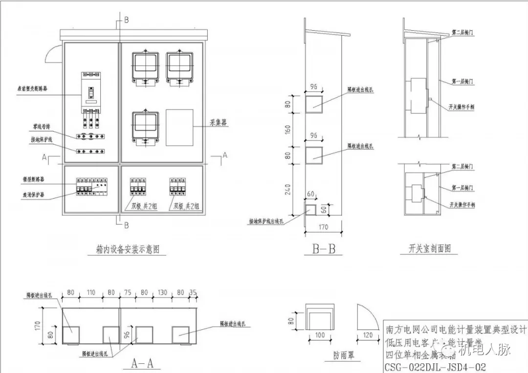
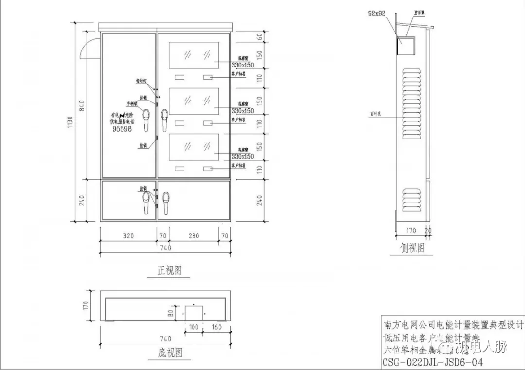
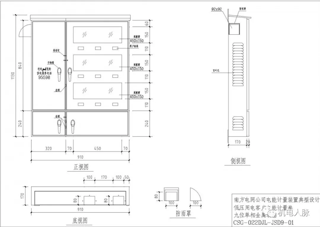
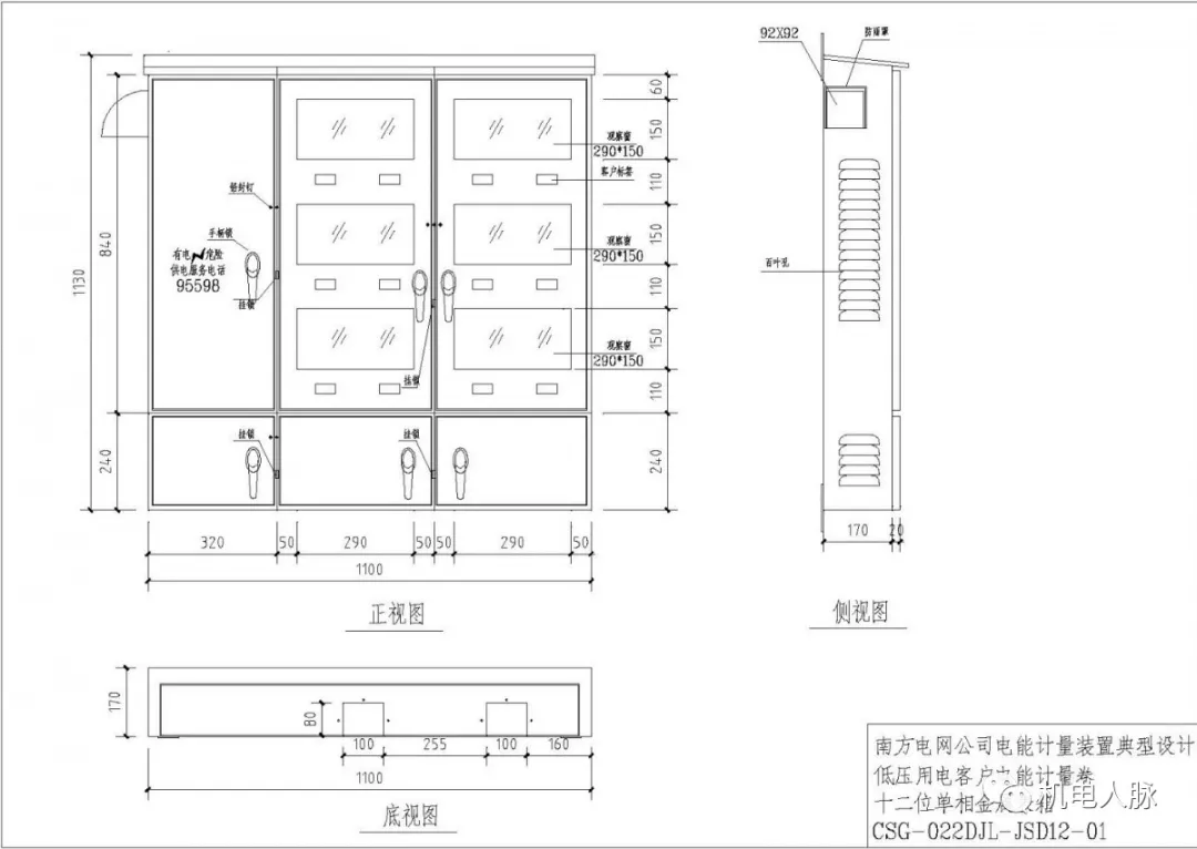
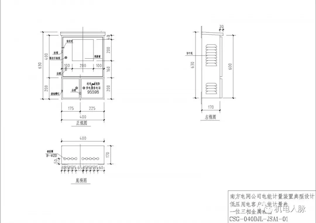
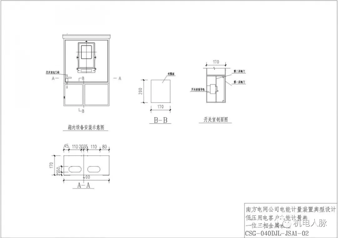
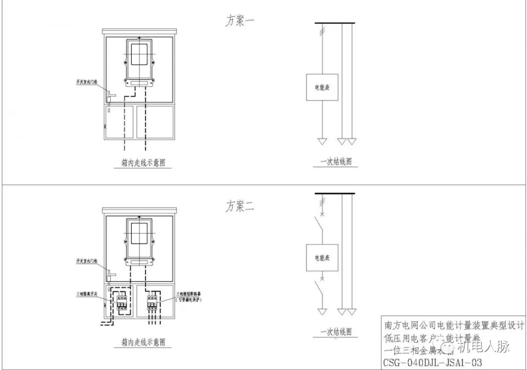
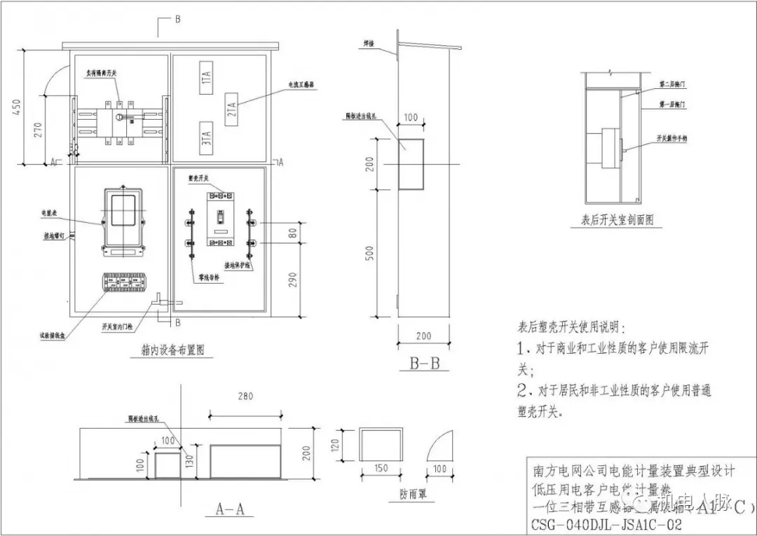
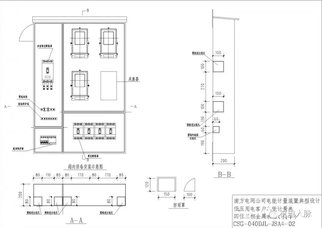
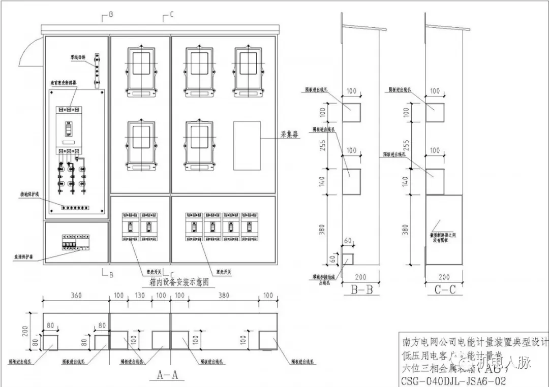
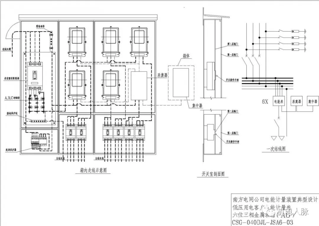
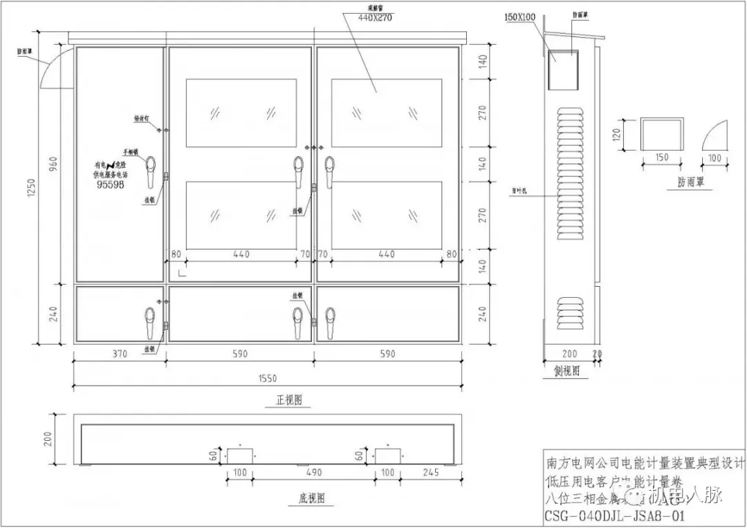
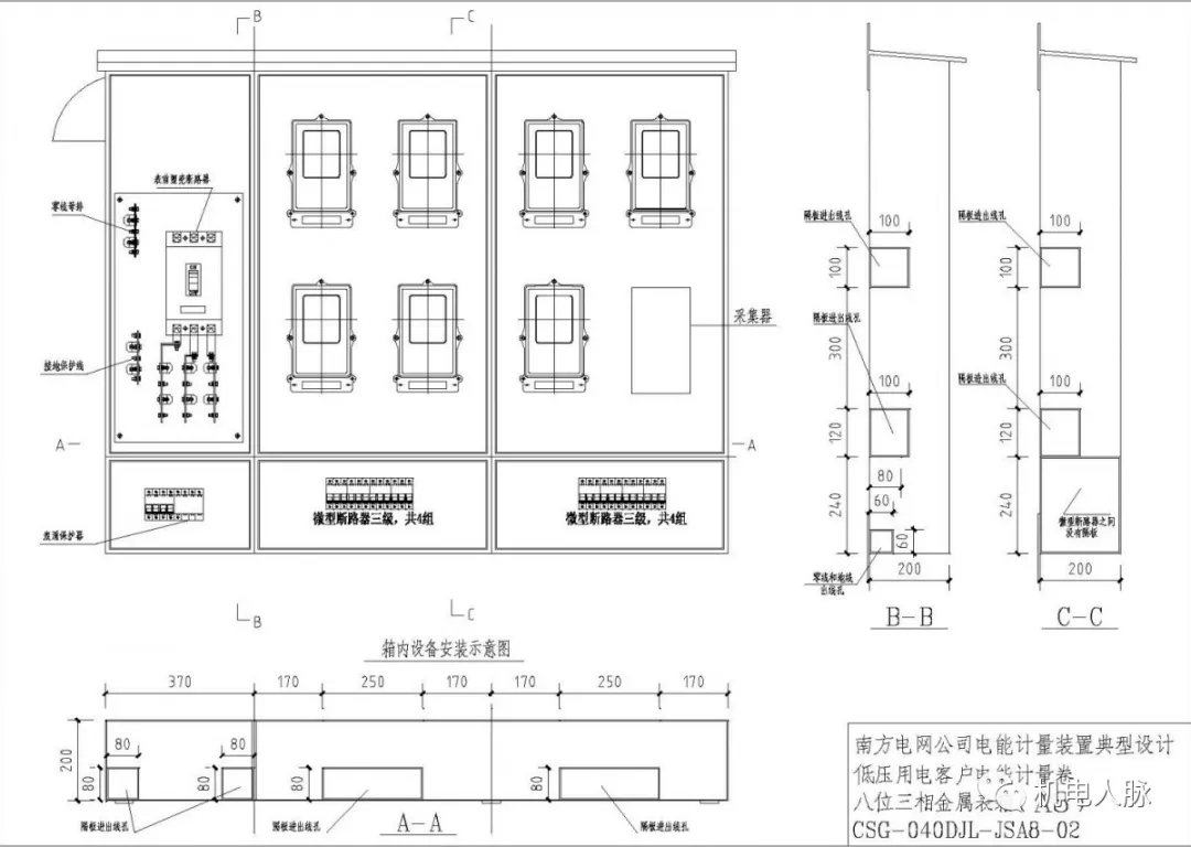
第三章 计量表箱(金属材质)典型设计























































