商务合作
顾问需求
文章投稿
招聘发布
产品推广
讲师报名
机电人脉共享顾问平台
搜索
文章详情
【微分享】江苏省住宅适老化改造技术标准
2024-05-13
【重磅推出】“散装顾问”服务
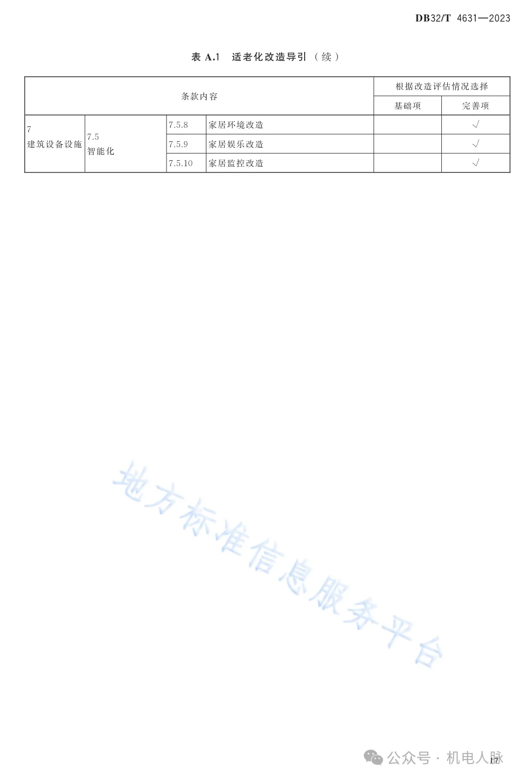
DB32/T 4631-2023 江苏省既有住宅适老化改造技术标准
下载请点击阅读原文
http://app.mep-link.com.cn/EngineeringDataInfo.aspx?id=3327
如果您觉得本文对您有帮助,请留言“有用”或点个赞,小编会倍受鼓舞
版权声明:本文整理自网络,侵权请联系删除。
声明:更多文章请关注机电人脉公众号,每日更新,超多干货。
http://m.mep-link.com.cn/h-nd-808.html
阅读50
分享
写评论...
发表评论
登录评论
匿名评论
提交
提交
推荐文章
【微分享】江苏省改善型住宅评价细则与评价表
【重磅推出】“散装顾问”服务《江苏省改善型住宅评价细则》下载请点击阅读原文http://app.mep-link.com.cn/EngineeringDataInfo.aspx?id=3382如果您觉得本文对您有帮助,请留言“有用”或点个赞,小编会倍受鼓舞版权声明:本文整理自网络,侵权请联系删除。未经许可,禁止以机电人脉编辑版本转载。
【微分享】复合风管消防专家咨询意见:需抽检、支吊架刷防火涂料
【重磅推出】“散装顾问”服务来源 暖通设计苏州工业园区规划建设委员会组织召开消防专家咨询会,《建筑防烟排烟系统技术标准》GB51251编制组专家王炯及其他消防专家针对防排烟复合风管的使用和验收提出要求和意见,供参考。相关阅读:《关于印发建筑防排烟系统技术难点专家咨询会会议纪要的通知》苏建函 消(2023) 273号建筑防排烟系统技术疑点专家咨询会会议纪要2023年10月11日下午,苏州市住房...
【微分享】住建局通知:消防设计、审图有关注意事项
【重磅推出】“散装顾问”服务惠安县住建局近日发布《关于规范消防设计及审图有关工作的通知》,提醒消防设计有关注意事项:消防给水管材、消防电缆、防排烟风管包裹等消防主材、旧有建筑消防设备设施改造,设计图纸不明确或是错误导致后期工程整改量大,整改周期长,需注意。供参考。电气专业:设计单位在一类高层住宅公共疏散通道的应急照明采用普通阻燃电缆,为采用低烟无卤阻燃电缆,不符合《住宅建筑电气设计规范》JG...
【微分享】上海市超低能耗项目建设流程与管控经验
【重磅推出】“散装顾问”服务#1上海超低能耗建筑政策与申报流程1.1 相关政策文件《上海市超低能耗建筑技术导则(试行)》(沪建建材〔2019)157号)https://zjw.sh.gov.cn/gztz/20190320/0011-64710.html《上海市建筑节能和绿色建筑示范项目专项扶持办法》(沪住建规范联[2020)2号)https://zjw.sh.gov.cn/czxx/201...
【微分享】剧本杀、密室、桌游、室内滑雪场等场所消防设计
【重磅推出】“散装顾问”服务杭州市城建委新出台了文件《杭州市商业娱乐新业态消防技术导则(试行)》,“商业娱乐新业态”包括剧本杀、密室、桌游、室内冰雪场所等,此前也有广州等地出台过《密室逃脱、剧本类娱乐经营场所消防技术指引(试行)》,国家消防救援局、文化和旅游部《关于印发剧本娱乐经营场所消防安全指南(试行)的通知》(消防【2023】26号),可供参考。近年来,商业娱乐新业态如剧本娱乐经营场所、...
【微分享】武汉市建设工程消防验收技术导则2024
【重磅推出】“散装顾问”服务武汉市建设工程消防验收技术导则2024(征求意见稿)下载请点击阅读原文http://app.mep-link.com.cn/EngineeringDataInfo.aspx?id=3330如果您觉得本文对您有帮助,请留言“有用”或点个赞,小编会倍受鼓舞版权声明:本文整理自网络,侵权请联系删除。
【微分享】三亚市消防风机不得使用双速风机
三亚市住建局在2021年出了一个文件,要求防排烟风机不得使用变频、双速风机,后来改口为不建议使用。机电人脉之前发表的时候还引起了一波广泛讨论,纷纷转载,现在回过头做个小调查,您的三亚项目用了双速风机吗?电气《民标》GB51348-2019 是要求消防水泵、风机不得使用变频器。三亚市在民标的基础上更近一步。条文说明:后来出的说明文件见下,不得使用双速风机主要出于以下几点考虑,并且将不得使用改为...
【微分享】图解上海市新建住宅饮用水高品质入户工程技术规程
为对标《上海市城市总体规划(2017-2035年)》中提出的“加大二次供水设施改造,减少老旧供水管网二次污染,提高入户水质”有关要求,上海市供水管理事务中心联合上海城市水资源开发利用国家工程中心有限公司、上海浦东建筑设计研究院有限公司等单位,经调查研究和广泛征询意见,编制形成《上海市新建居民住宅饮用水高品质入户工程技术规程》,通过实行更高标准、更优性能的入户工程建设标准,切实保障居民用户末端...
【微分享】法律规定,规范要求,你不得不重视的住宅项目隔声降噪
【重磅推出】“散装顾问”服务#1 住宅建筑声环境 住宅建筑是人们生活、休息、睡眠的重要场所,其声环境质量不但影响居住的舒适度,而且事关居住者的身心健康。首先,居家生活需要安静,特别是,休息睡眠更需要安静,这就要求建筑应降低室内外噪声传入,如窗外的城市干线、高速公路、轻轨线路、机场航运等交通噪声;建筑内部的噪声也不容忽视,如电梯运行的隆隆声,地下室水泵的嗡嗡声,空调室外机的转动声,楼内供暖机组...
【微分享】杭州取消一般项目施工图审查
【重磅推出】“散装顾问”服务来源:杭州市建委近日,杭州市建委发布关于公开征求《进一步优化杭州市建设工程施工图审查及施工许可办理的实施意见(试行)(征求意见稿)》。提出:进一步缩小施工图审查范围,对不同类型工程建设项目实施差异化审查。全市一般房屋市政工程项目,取消施工图审查!一般项目取消施工图审查。本市行政区域范围内,一般的新建、扩建、改建房屋建筑和市政基础设施工程,取消施工图审查。特殊房屋市...
【微分享】住宅项目电气施工图审查要点,供参考
编辑 机电人脉#1电力供配电系统一、变配电房选址要求:1、尽量靠近负荷中心设置,可设置在一般住宅单元楼下(不可设置在不可设于住户的正下方)尽量不占用或少占用车位。2、进出线方便;有通畅的大型设备运输(或吊装)通道。3、低压线路的供电半径,干线一般不超过250m,当供电容量超过500KW,供电半径超过250m时,考虑增设。4、变电所不宜设置过多,设置过多不利于物业后期维护和管理。二、系统设计要...
【微分享】某地产住宅水暖专业施工图审查要点图文解析,供参考
#1给排水专业资料是否齐全给排水专业图纸应包括:1、封面、目录2、设计说明及材料表3、平面图4、系统图5、厨卫大样图6、屋顶消防水箱大样图(屋顶消防水箱设置于本栋时)考核要点1大堂(门廊)内管道的设置必须满足不影响大堂装修效果,应满足标准。要点解读:大堂(门廊)内不得随意设置给排水立管。确有需要时应首先转换出大堂(门廊),当条件受限不能满足转换条件时,应注明大堂立管由装饰包封考核要点2所有管...
【微考察】杭州某住宅项目考察分享,来看看哪里值得借鉴反思
作者 朱峻这次作者又为我们带来了杭州某住宅项目的考察复盘分享,一起来看看吧。#1值得学习点1、小区消防车道、建筑四周排水沟设置通长排水沟盖板上面层铺设砾石,满足排水功能要求又美观。2、架空层、户内排水立管装饰包管后预留了检修口。3、电梯前室的正压送风口,执行器设置在中间,方便人员操作。4、燃气庭院的地埋管与立管连接处采用满足通风要求的冲孔铝板装饰处理。5、地下室管线综合支架附近采用综合抗震支...
【微分享】高品质住宅应具有哪些机电条件
#4景观园林景观设计应结合社区综合信息服务平台的建设需求,提高基础设施集约化和智能化水平,提升便民利民的服务能力,提供人性化关怀和丰富使用体验,打造智慧社区。居住区雨、污水检查井不应设置于楼栋主出入口位置,且尽量远离窗户、阳台,当设置于小区道路上时,井盖应尽量位于车辆行驶轮迹线范围之外。
【微分享】最新!暖通专业消防设计审查要点规范条文汇总
【重磅推出】“散装顾问”服务《北京市房屋建筑工程消防设计技术审查要点2024》下载请点击阅读原文http://app.mep-link.com.cn/EngineeringDataInfo.aspx?id=3317如果您觉得本文对您有帮助,请留言“有用”或点个赞,小编会倍受鼓舞版权声明:本文整理自网络,侵权请联系删除。
【微分享】山东省既有建筑改造工程消防设计审查验收技术指南
【重磅推出】“散装顾问”服务文末下载4 消防给水4.1 一般规定4.1.1 既有建筑整体改造时,其消防给水设施的设置,应执行现行标准。4.1.2 既有建筑内部装修工程,可执行原有标准,当条件具备时宜执行现行标准。4.2 消防水源4.2.1 既有建筑改造工程市政环状管网供水的室外消火栓系统,当两条室外给水引入管均从同一市政给水干管引入,市政给水干管应确保与市政管线成环状,且两条引入管之间的市政...
【微分享】上海市既有建筑改造工程消防技术指南
【重磅推出】“散装顾问”服务文末下载5 消防给水设施5.1 一般规定5.1.1 改造工程中,当同一条市政道路上的一根城镇环状给水管道上具备加设检修阀门的条件时,消防给水可采用从该环状给水管道上增设的检修阀门两侧分别接出一根引入管的方式。【说明】在环状管网的同一侧管道通过检修阀门分隔成不同的管段,在检修阀门两端分别设引入管,可以避免市政管网局部管路检修或中断导致无水情况的发生。城镇环状给水是否...
【微分享】进一步加强建设单位竣工验收消防查验工作的通知
【重磅推出】“散装顾问”服务上海市住建委发布了关于《进一步加强建设单位竣工验收消防查验工作的通知》(以下简称《通知》),旨在强化建设单位在消防施工质量中的首要责任,并规范消防验收流程。《通知》明确要求建设单位在组织建设工程竣工验收时,必须对工程是否符合消防要求进行查验。经查验不符合相关规定的,建设单位不得编制《工程竣工验收报告》。在申请消防验收或备案过程中,建设单位应提交包含《建设工程竣工验...
【微分享】安阳市消防验收疑难解析10条
【重磅推出】“散装顾问”服务安阳市消防验收疑难问题解析10条问题描述1:工程重大变更未经图纸审查,未盖审图章。应对措施1:根据《河南省住房和城乡建设厅关于房屋建筑工程施工图审查批准后勘察设计重大变更有关问题的通知》(豫建设标[〔2010】12号)文件要求,勘察设计文件进行重大变更时,必须向原审查机构重新报审。如:建筑专业改变建筑规模、改变防火分区,给排水专业改变消防系统和设施,暖通专业改变防...
【微分享】电动自行车充电停车场所消防要求
【重磅推出】“散装顾问”服务浙江省推出的文件《电动自行车充停、充换场所建设技术导则》,对消防的要求比较严格,来看看吧。#1选址1 电动自行车充停场所可设置在主体建筑一层、半地下室和地下一层;不宜设在地下二层及以下,且停车层地坪与室外地坪的高差不宜大于 7m。2 电动自行车充换场所应设置在地面层。3 电动自行车充停、充换场所不应与易燃易爆场所贴邻,不应有可燃气体管道穿越,电动自行车充换场所不应...