
建筑给水排水青年工程师论坛设计疑问答复2023 (mep-link.com.cn)
建 水 篇
1.PVC-U 按《建筑给水排水与节水通用规范》第 4.1.1 条是否还可以用做建筑内排水管材?
答复: 可以。PVC-U 排水管可以用于长期排水温度≤40℃的场所,因为常用的民用建筑内的热水排放的机会或水量都是有限,PVC-U 管材及管件的维卡软化温度均大于≧70℃,瞬时的少量热水不足以对 UPVC 排水管道造成影响。但对于设置餐饮、公共食堂等热水量大,水温高的场所,不应选择 PVC-U 排水塑料管,可选用耐高温的铸铁排水管或 HTPP 聚丙烯高温静音排水管道等管材。
2.按《建筑给水排水与节水通用规范》第 4.3.7 条,地上与地下室排水管道连接后一起采用压力抽排允许吗?
答复:可以,但这类做法运行经济性较差(日常运行费用较高),应在方案设计阶段就尽量避免。当地上排水不能自流重力排水或会发生倒灌时,应采用机械提升排水,此时地上与地下室排水可连接后接入地下室集水坑(或污水提升器),共用机械提升设备排水。原则上不建议上部排水能直流排放的,排至地下室后再提升排放。
3.按《建筑给水排水与节水通用规范》4.4.5 条文说明:地下车库集水井不设沟连通时,是否允许每个集水井只设一台泵不设备用泵?或设沟连通时,是否允许每个集水井只设一台泵不设备用泵?
答复: 根据 4.4.5 条的规定,地下车库的集水坑若没有采用明沟(或暗沟)连通的,就应当采用每个集水坑设置两台提升泵的做法;当集水坑之间采用排水明沟连通时,每个集水坑可只设置一台提升泵,不再考虑备用泵的设置。但当地下车库集水坑存在下列情况时,仍应设置备用泵:
4.《建筑给水排水与节水通用规范》4.5.13 条是否指所有建筑都要做雨水回收利用?如何界定“常年降雨条件下”?
答复: (1)否。屋面、硬化地面上的雨水需要拦截控制,防止流失;雨水控制与利用并不仅有雨水回收利用这一个措施,还有调蓄、入渗等其他措施, 雨水回用并不是必要条件。(2)常年降雨条件就是历年降雨资料,指多年平均降雨。常年降雨条件主要有年降雨量、最大 24h 降雨量等。
5.《建筑给水排水与节水通用规范》4.5.17 条土建措施具体有哪些?
答复:参考条文说明,下沉区域四周设置挡水坎,挡水高度不得低于防洪水位,有道路通向下沉区域时,在下坡之前先上坡,坡顶的高度不低于防洪水位。人行路下坡前也可设挡水台阶。场地标高及室内正负零的确定也是防止客水进入的的重要土建措施,这些内容应提醒建筑专业具体落实。
6.《建筑给水排水与节水通用规范》5.1.3 条居住建筑都有哪些?如公寓,宿舍等属于居住建筑还是公共建筑?
答复:(1)居住建筑指以居住为目的的民用建筑,包含住宅、别墅、宿舍、公寓等。(2)根据《民用建筑设计统一标准》GB 50352-2019 第 3.1.1 条,按使用功能分为居住建筑和公共建筑两大类,公寓和宿舍属于居住建筑。
7.按《建筑给水排水与节水通用规范》5.2.3 条,是否不管水加热设备出水温度多高,均要设置灭菌措施?不低于 60 度时是否可不设?规范要求的 60 度是第一循环的供热温度还是第二循环的供热温度。
答复:(1)5.2.3 条的条文说明明确了灭菌具体的方式;水加热设备、设施的供水温度不低于 60℃就是灭菌措施的一种方式。(2)水加热设备、设施供水温度不低于 60℃时可不重复设置灭菌措施。(3)规范要求的 60℃是指第二循环系统的供热温度。
8.按《建筑给水排水与节水通用规范》6.3.2 条仍可采用湿式投加方式的氯消毒方式吗?
答复: 规范 6.3.2 条明确了游泳池、公共按摩池不应采用氯气(液氯)、二氧化氯和液态溴对池水进行消毒,主要考虑这些消毒剂属于危险化学用品, 不易运输及储存,一旦泄漏容易造成毒害和爆炸发生,所以一般城市禁止使用氯气和液氯消毒。
但以上并不是禁止所有采用湿式投加的氯消毒方式。例如采用湿式投加的次氯酸钠消毒剂就仍然是建议优先选用的。
9.按《建筑给水排水与节水通用规范》7.3.3 条暴雨积水条件是指防洪水位吗?
答复: 本处的重点是指即使在暴雨积水时,补水管口也不得被淹没。洪水位是暴雨积水可能存在的情况之一,也应遵守本要求。建议方案设计时应避免将补水管口设置在室外。
10.按《建筑给水排水与节水通用规范》8.1.8 条如何理解严格防水要求?穿越地下室侧壁属于这种情况吗?
答复: 严格防水就是管道穿越处若出现渗水、漏水影响正常的使用或对使用场地、设备有可能造成潜在危险的场所。一般如水池穿越处、地下室外墙穿越处等均应当按照有严格防水要求去设计,设置柔性防水套管。
11.《建水规》5.2.24 条要求“当阳台、露台雨水排入小区污水管道时,应设水封井”,请问排入污水管道的阳台地漏已设存水弯时,是否还要再设置水封井?
答复:当排入污水管道的阳台地漏已设存水弯时,执行《建水规》5.2.24 条第 6 款,设专用排水立管(伸顶透气),不设水封井。
12.发热门诊的尾气处理,根据新型冠状病毒感染的肺炎传染病应急医疗设施设计标准,通气管排气通过高效过滤器及紫外线进行消毒处理。单独采用紫外线杀毒功能不足,由于高效过滤器的阻力问题,采用风机会影响排水效果, 如何有效解决这个问题?

答复: 根据新冠时期各地的方舱或者传染病医院实践,可采用紫外线消毒设备或者纳米光催化、光触媒系列高效杀菌装置,成品构造如上图所示。不建议设置仅有隔离功能的高效过滤器设备和风机设备。需要注意这些设备比较重, 一般还需要 220V 电源供电,需要在设计时结合可牢固支撑的位置安装,透气管经过杀菌装置再接至高位排放
13.公共洗衣房或公共厨房生活的给水入口处需要设置防止倒流设施吗?《建水规》附录 A.0.1 中的洗涤设备给水需要设置什么防止倒流设施?
答复:(1)不需要;(2)卫生器具、洗涤设备给水管根据回流污染程度 采取相应防回流污染措施;一般采用空气间隙,若存在背压回流风险则应根据《建水标》附录选择相应的防回流污染措施。
14.学校等公共建筑项目设置给水管沟和电缆沟,未找到管沟相关设计图集,若只有管沟长度 25%的盖板可开启,管沟是否需要按综合管廊设置消防措施?

答复:建筑周围的管沟基本不满足城市综合管廊的设置标准,属于地沟, 可按照国家标准图集《地沟及盖板》G221 执行。管沟不需要按照综合管廊设置消防措施。
15.管道保温材料是否需要当成顶棚装修材料考虑燃烧性能?
答复:按国标图集 16S401 选用即可。
16.《建筑节能与可再生能源利用通用规范》第 3.4.1 条规定按 60°C 计的生活热水最高日总用水量不大于 5m3,或人均最高日用水定额不大于 10L 的公共建筑。可以采用电直接加热作为生活热水系统的主体热源。上述条件之外的建筑,需要采用可再生能源作为热源,建筑内所有热水需求的点,是否都要遵守。零星台盆,或者少量淋浴,或离集中供热系统较远的热水需求点,是否可以采用电热水器?如何界定?
答复:建筑的最高日总热水用水量大于等于 5 立方米,或人均最高日用水定额大于 10L 的公共建筑,需采用可再生能源作为热源。零星台盆、少量淋浴可以采用电热水器作为热源,用水点的总热水日用水量需小于 5 立方米。当不满足时可采用空气源热泵等可再生能源。
17.人防内干厕集水井通气管,一般接到什么位置?
答复: 见人防标准图 05SFS10-51.收集战时生活污水的集水池,临战时应增设接至厕所排风口的透气管。
18.室外给水管网成环的原则是什么?地块内成环,但有一根支管上接出两路到建筑内,算不算成环。
答复: 对于室外生活给水管网,市政给水接入一路,地块内成环形,满足“室外给水管网应成环状布置”的要求。
19.绿化采用高效节水的灌溉方式。是否意味着人工取水阀不能被用于绿化浇灌。部分改造项目,难以更换系统的如何执行?
答复: 不管是新建还是改扩建均应当满足规范要求,绿化阀门后采用微灌或滴灌等多种高效节水方式,不存在难以执行的情况。
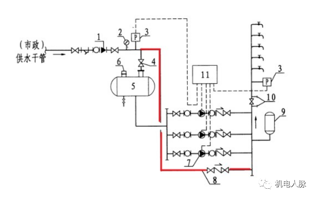
20.《托儿所、幼儿园建筑设计规范》JGJ 39-2016(2019 年版),要求当设置集中热水供应时,应采用混合水箱单管供应定温热水系统。能否采用恒温阀。
答复:在《建筑给水排水设计标准》GB50015 第 6.3.9 条中仅规定了要做“防烫伤措施”,在《托儿所、幼儿园建筑设计规范》第 6.1.5 条中为“应”,二者存在一定差异,也有项目采用恒温阀被审图老师提出整改。
实际分析, 混合水箱单管供应定温热水系统可以有效避烫伤问题,但混合水箱水温一般为 40℃,这也是军团菌最适宜的生长环境,即使系统中增加了独立的消毒设施,鉴于托幼自身属于弱势群体对军团菌的免疫力更低,建议在类似建筑在尽量少采用集中热水供应系统,可采用局部热水系统形式,并在局部热水系统中采用恒温混水阀。
21.高层建筑转换层卫生间、厨房、洗衣机房等排水是否一定要考虑单排,如单独排放时是否应设置通气管,比如转换层位于四层。
答复: 根据《建筑给水排水设计标准》GB50015 第 4.4.11 条的规定,结合下部转换层净高需要,需要单独排水的应考虑单独排水,同时要考虑单独排水的通气问题。
22.根据《民用建筑设计统一标准》第 8.1.2 条第 6 点规定的条文解释:集水坑不应设在生活给水泵房内,且不应与生活污水、污水处理站等共用集水坑。是否单独设置为生活水泵房独自使用的集水井可以设置在生活水泵房内?
答复:《建水标》3.3.17 条条文说明明确,设置于给水泵房内的仅为本机房排水用的集水井、排水泵不属于污废水泵房,仅为给水机房排水用的集水井、排水泵可以设置在给水机房内。主要基于卫生安全考虑,严禁生活水泵房的集水坑接纳其它生活污水。
23.《建筑给水排水设计标准》中,第 4.10.7 表规定室外排水干管最小管径为De200,但在《室外排水设计标准》GB50014-2021 中,第 5.2.10 条污水和合流管道的最小管径为 De300,且两本规范均适合小区室外排水工程设计,请问该按哪本规范执行?
答复: 《建筑给水排水设计标准》主要适用于小区内,《室外排水设计标准》主要适用于市政及小区。对于小区内的室外排水管道,建议复核管道的设计流量及流速,不能低于自净流速。
24.海绵城市设计时,雨水蓄水池若不回用,能否纳入计算年径流总量控制率的调蓄容积?
答复:只是用作调峰的不纳入。若调蓄池错峰排放雨水时将雨水排入海绵设施消纳,则可纳入计算年径流总量控制范围内。
25.《建筑节能与可再生能源利用通用规范》第 5.2.1 条“新建建筑应安装太阳能系统”,请问用太阳能热水系统与太阳能光伏怎么设计能满足节能要求, 使用的量有没有具体的规定?如项目有多栋建筑,是否针对每栋建筑均应安装太阳能系统?如项目建筑屋面大小和屋顶构造差异较大,部分建筑屋面摆放太阳能板确有困难,将太阳能板集中布置在其他楼栋屋面,但太阳能系统供给到没有布置太阳能板的建筑内。请问此种做法是否满足规范要求?
答复:关于新建建筑太阳能设置,光伏及光热采用那种形式要结合项目的性质、项目所在地的地方规定等因素综合考虑。光伏与光热是否可以进行等效替代?一个项目中多栋建筑中太阳能指标是否可以进行总量核算平衡,目前各地规定各不一致,需要征询当地主管部门和审图公司意见。
26.《建筑与市政工程抗震通用规范》第 6.2.9 条中要求管道穿过建(构)筑物的墙体应设置套管。对于室外排水管线接检查井的情况是否应设置?
答复: 室外排水管线接检查井的做法,参照检查井的国标图集执行。对于穿越室外水池、化粪池以及建筑外墙等有严格防水要求的管道,在其穿越处应设置相应的防水套管。
27.《建筑给水排水与节水通用规范》第 1.0.2 条 建筑给水排水与节水工程的设计、施工、验收、运行和维护必须执行本规范。疑问:本规范室外工程、景观工程是否需要执行?建筑周边小市政是否需要执行?
答复:属于建筑工程红线范围内的室外工程、景观工程、建筑周边小市政也应执行。
28.《建筑给水排水与节水通用规范》第 3.1.4 条 自建供水设施的供水管道严禁与城镇供水管道直接连接。生活饮用水管道严禁与建筑中水、回用雨水等非生活饮用水管道连接。疑问:根据条文解释,此处“自建供水设施”包括二次加压供水。那么,无负压设备的超越管是否违反规范?箱式无负压是否违反规范?

答复:示意图中的“8”超越管做法不符合现行规范要求。
29.《建筑给水排水与节水通用规范》第 3.2.3 条 室外给水管网干管应成环状布置。疑问:此处室外给水管干管只针对市政直供干管,还是也针对二次供水加压供水干管?对于入户管只有一根的,是否也需要环状?对于加压管网部分在室外、部分在室内,如何执行?
答复: (1)此处指市政直供干管和区域加压的小区室外给水管网;(2)只有一根市政引入管时,红线内的室外给水管网成环,也算满足规范;(3)给水管网干管室内与室外联通成环即可。
30.《建筑给水排水与节水通用规范》第 3.4.7 条 集中空调冷却水、游泳池水、洗车场洗车用水、水源热泵用水应循环使用。疑问:采用收集回用的雨水洗车是否还需要循环使用?
答复: 因为洗车属于特殊行业,单位用水的费用较高,大部分都采用收集简单处理后回用。因此,从设计的角度要求汽车洗车水循环使用,洗车用水经隔油处理后接入雨水原水池。
31.《建筑给水排水与节水通用规范》第 3.4.8 条 绿化浇洒应采用高效节水灌溉方式。疑问:采用高效节水灌溉方式是否有比例的要求?局部采用取水口浇灌是否允许?
答复:(1)原则上凡是给绿化用水的,均应采用高效节水方式;(2)不允许局部采用取水口浇灌。
32.《建筑给水排水与节水通用规范》第 4.5.1 条 屋面雨水应有组织排放。疑问:对于坡屋面、仿古建筑(无檐沟)、异形屋面无法采用雨水管道和雨水斗如何解决?多层建筑自由落实是否允许?有些出入口门斗屋面,面积小,高度低, 自由排放是否违反规范?坡屋面,飘板,出入口雨棚等要设沟做有组织排水吗?
答复: 现在的大型坡屋面、仿古建筑的斜屋面都采用檐沟设计,除非小型的单层房子无檐沟设计。这就要求我们一般的斜屋面及仿古建筑的坡屋面建筑在开始设计前就要求配合建筑按照有檐沟设计。有组织排水不一定指管道, 下图中的“雨链”也属于有组织排水的一种形式。飘板等不属于建筑专业的“屋面”定义的没有要求。

33.《建筑给水排水与节水通用规范》第 4.5.11 条 建筑与小区应遵循源头减排原侧,建设雨水控制与利用设施,减少对水生态环境的影响。降雨的年径流总量和外排径流峰值的控制应符合下列要求:1、新建的建筑与小区应达到建设开发前的水平;2、改建的建筑与小区应符合当地海绵城市建设专项规划要求。疑问:扩建不在要求范围?根据条文解释,建设用地开发前是指城市化之前的自然状态?如果建设前不是自然状态如何考虑?建设前径流系数数据如何得到?没有海绵城市专项规划的城市新建小区,雨水设计是否需要考虑防洪排涝,年径流总量及外排径流峰值达到建设开发前的水平如何实施?
答复: 所谓开发之前的状态一般指自然状态,建设前不是自然状态的也按照自然状态考虑。建设前的径流系数按照自然地面,径流系数不超过 0.3 取值。对于新建项目的雨水控制及海绵城市的设计,应严格按照上位控制的要求, 合理分摊。年径流总量及外排径流峰值达到建设开发前的水平按照前述的建设前径流系数不超过 0.3 为计算依据实施。
防洪设计和雨水设计是 2 个概念,防洪设计需要建筑、水利、市政、总图和给排水专业整体考虑,以防止客水进入项目基地内主要目标,建筑与小区的雨水设计,仅考虑排除项目基地内设计重现期的排水。
34.《给水排水管道工程施工及验收规范》GB50268-2008,第 4.5.13 条文解释“柔性管道不得采用包封混凝土的处理方法”。《室外排水设计标准》GB 50014-2021,第 5.11.3 条,“刚性管道宜采用钢筋混凝土基础,柔性管道应采用包封措施。” 疑问:对于柔性管道是否可以采用包封混凝土的做法?
答复: 《给水排水管道工程施工与验收规范》GB50268 第 4.5.13 条的条文解释主要针对给排水管道埋深深度不够的处理措施,柔性管道在不能满足覆土厚度的情况下,采用混凝土包覆是不能解决车荷载可能对管道造成的破坏, 因此采用刚性套管的保护措施,主要是利用套管的强度,来满足对柔性管道的保护。《室外排水设计标准》GB50014 第 5.11.3 条的规定主要是针对倒虹吸管道的保护措施,设置在河床底部的倒虹吸管道,不用考虑车荷载的问题, 采用混凝土包覆柔性管道,主要是解决倒虹吸管道的安全可靠性,和使用寿命。
35.《建筑机电工程抗震设计规范》GB50981-2014 表 8.2.3 如下:

疑问:常用消防管道卡箍连接,属于刚性还是柔性连接?
答复: 消防管道采用卡箍连接,主要是解决了管道的连接问题,属于刚性卡箍,相应的橡胶主要解决卡箍连接的密封问题,此类刚性管道不能算作柔性连接。
36.《建筑给水排水设计标准》GB 50015-2019 第 3.13.24 条:“室外给水管道阀门宜采用暗杆型的阀门,并宜设置阀门井或阀门套筒。”《建筑与市政工程抗震通用规范》GB 55002-2021,第 6.2.12 条:“管网上的阀门均应设置阀门井。” 疑问:《建筑与市政工程抗震通用规范》GB 55002-2021 中 6.2 城乡给水排水和燃气热力工程是否适用于小区室外给水排水工程?若适用,是否小区室外给水管网(包括绿化给水管网)上的阀门采用阀门套筒是否视为违反抗震通用规范强条?
答复: 因为套筒式阀门构造简单,过去仅适用于埋设深度不大的部位,随着《建筑与市政工程抗震通用规范》的实施,对于有抗震要求的地区,严禁采用套筒式阀门。
37.现有非通用规范中强条是否还需按强条执行?通用规范中的条文解释是否按强条执行?
答复: 现在非通用规范中的强条不再按照强条执行,但设计还必须满足其规定,而通用规范中的条文解释,只作为规范条文的解释说明,条文解释不具有法律意义上的条文,可参考执行。
38.热水系统设计冷热水非同源设计时,冷热水水压很难平衡,可采用哪些有效处理措施?
答复: 1、变频供水设备压力应连续可调节;
2、在设计给水及热水系统的管径时,特别是卫生间用水点支管的管径要尽可能的放大,减少毗邻用水造成的压力波动;
3、末端采用混水阀;
39.集中热水供应系统采用燃气锅炉作为热源时,锅炉出水采取高温水的做法是否违反节能规范?
答复: 《建筑节能与可再生能源利用》GB55015 第 3.4.1 条规定:除有其他用蒸汽要求外,不应采用燃气或燃油锅炉制备蒸汽作为生活热水的热源或辅助热源。而锅炉供水一般为 60°C~80℃,最大供回水温度为 70℃~90℃,因此,只要不是采用蒸汽锅炉,都不违反节能规范的要求。
40.《建筑给水排水设计标准》第 4.4.12 条,空调设备冷凝水的排水应采取间接排水方式,请问,外挂于室外或空调板上的冷凝水立管,空调冷凝水以插入三通的方式排入冷凝水立管,是否已经属于间接排水?此冷凝水立管底部是否仍需要间接排水?
答复:不属于间接排水,间接排水的空气间隙应符合《建筑给水排水设计标准》第 4.4.12 条的规定。因此底部仍需间接排水。
41.《建筑给水排水与节水通用规范》“3.1.1 条:给水系统应具有保障不间断向建筑或小区供水的能力,供水水质、水量和水压应满足用户的正常用水需求。”是否所有二次加压供水水箱均应按两座(格)设置?
答复: 不一定。按《建水标》第 3.8.1 条执行。
42.太阳能系统,是需要每栋单体均设置,还是可以整个项目在某一栋设置即可?
答复: 一个项目中多栋建筑中太阳能指标是否可以进行总量核算平衡,目前各地规定各不一致,需要征询当地主管部门和审图公司意见。
43.根据《建筑给水排水与节水通用规范》GB55020-2021 第 3.2.3 条“室外给水管网干管成环状布置”。对于已建成的小区和厂区,干管已建设完成,且成枝状。如果这些已建成的小区和厂区新建一个面积不大的建筑,房子的引入管该如何设计。
方案一:从建成小区和厂区的枝状干管上引入 1 根引入管,直接供建筑用水;
方案二:从建成小区和厂区的枝状干管上引入 2 根管引入管,在新建建筑周围成环状,再供建筑用水;
方案三:分别从建成小区和厂区外引 1 根给水管和建成小区和厂区的枝状干管上引 1 根给水管成环状布置。
答复: 项目的定案要结合项目所处的位置和现状条件,建议方案二。当建成小区和厂区外引引入的 1 根给水管接至城镇环状给水管上时,也可直接接入新建建筑周围环状给水管。
44.《建筑给水排水与节水通用规范》GB55020-2021 第 3.1.1 条:给水系统应具有保障不间断向建筑或小区供水的能力。若市政自来水停水,如何保障?或管网如何设置,才能有保障?
答复: 给水系统中一般设有水箱,储存有一定的调节容积。市政自来水停水不属于建筑给水系统能顾及的范围,不属于给水系统供水能力的问题。
45.《建筑给水排水设计标准》GB50015-2019 第 3.6.13-5:敷设在垫层或墙体管槽内的管材,不得采用可拆卸的连接方式。请问:不锈钢管的环压、卡压连接方式,是否属于可拆卸的连接方式;若属于,则意味着不锈钢管不能用于卫生间支管或户内埋地支管?另:《建筑给水排水与节水通用规范》GB55020-2021 第 3.2.6 条文说明:生活饮用水给水管道敷设的位置要方便安装和维修,不影响结构安全和建筑物的使用,暗装时不能埋设在结构墙板内, 暗设在找平层内时要采用抗耐蚀管材,且不能有机械连接件。请问:机械连接方式与可拆卸的连接方式有何区别?
答复: 《建筑给水排水与节水通用规范》第 3.2.6 条条文解释中提到的机械连接方式,包括可拆卸连接。环压、卡压属于机械连接方式但不属于可拆卸连接方式。可拆卸连接包括卡套式和卡环式。
46.《建水标》6.6.3-5 中的集热效率与《能通规》5.2.10 中的集热效率是否为同一概念?
答复:是同一概念。《建筑节能与可再生能源利用通用规范》GB55015-2021 参照了《太阳能热水系统性能评价规范》GB/T20095 的有关规定,对太阳能生活热水系统、太阳能供暖系统以及太阳能空调系统的效率提出了明确的要求。
47.将于 2022 年 10 月 1 日实施的《城乡排水工程项目规范》GB 55027-2022 第4.1.4 条“工业企业应向园区集中,工业园区的污水和废水应单独收集处理, 其尾水不应纳入市政污水管道和雨水管渠。”请问“工业园区的污水和废水” 是否包含卫生间的生活污、废水。对于大多数工业园区未建立单独的污水和废水收集管道,只有市政雨水、污水管道。厂区卫生间的生活污、废水和生产废水处理达标后的尾水应排入何处?
答复:厂区卫生间的生活污、废水可以接入市政污水管道。厂区的工业废水尾水应处理达标,鼓励循环利用,处理达标后的工业废水尾水由企业与当地排水行政管理部门协商,取得排水许可证后,可以排市政污水管网。
48.《城乡排水工程项目规范》GB 55027-2022 第 4.1.4 条“分散式工业废水处理达到环境排放标准的尾水,不应排入市政污水管道。”请问处理达标的尾水应排入何处?设计如何处理该问题。
答复:分散式工业废水处理是针对没有污水管网和集中污水处理厂的情况, 达到环境排放标准的尾水鼓励循环使用,可直接排放自然水体或雨水管道。若分散式工业废水处理设施的尾水达到环境排放标准后排入市政污水管道, 会稀释城镇污水、影响排水系统提质增效目标的实现。当企业与当地排水行政管理部门协商,取得排水许可证后,也可以排市政污水管网。
49.《城乡排水工程项目规范》GB 55027-2022 第 2.2.9 条地下水位较高的地方禁止使用砖砌检查井。“地下水位较高的地方”中地下水位是否可以明确的具体的指标和要求,以便指导设计和施工。
答复: 住房和城乡建设部《房屋建筑和市政基础设施工程危及生产安全施工工艺、设备和材料淘汰目录(第一批)》(2021.12.14)禁止使用砖砌检查井。
50.大底盘小区,地下室顶板上室外区域设置海绵设施是否有意义?
答复: 海绵小区的设置本身就是一个多措施的收集处理工程,目的就是为了减少外排雨水量,在覆土深度满足要求的情况下,下渗还有作用的,否则对于大底盘的项目没有下渗,单一的采用收集无论从占地和造价都相对较高。因此在小区海绵的设计中,需要统筹考虑下渗、透水铺装、雨水花园以及雨水收集等措施的实施,共同来满足年径流总量控制率及污染物控制率的要求。
51.《建筑与小区雨水控制及利用工程技术规范》 GB50400-2016 第 4.1.7 条有特殊污染源的建筑与小区,雨水控制及利用工程应经专题论证。请问:医院是否属于有特殊污染源的小区,能否设置雨水收集回用系统?回用水只用于绿化喷灌,是否可行?
答复: 普通医院没有明确规定,对传染病医院或传染病区不应采取雨水收集系统回用。医院设置雨水收集系统,建议仅用于室外绿化或道路浇洒。
52.《绿色建筑评价标准 》 GB/T50378-2019 中,加分项的第 9.2.10 条“采取节约资源、保护生态环境、保障安全健康、智慧友好运行、传承历史文化等其他创新,并有明显效益”。给排水专业如采用生活给水系统采用智慧管理系统,或消防水泵采用物联型消防供水泵房,是否满足对应加分项相关要求。
答复: 根据要求所采取的创新技术措施须通过专家评审通过,怎么加分或加不加分都没有明确的条款可以执行,还是要以专家评审意见为准。
53.《医院洁净手术部建筑技术规范》GB50333-2013 的 10.3.4 条,“洁净手术部的卫生器具和装置的污水透气系统应独立设置”。根据此条理解,洁净手术部的排水系统是否也应独立设置?
答复: 独立设置的目的是避免相互污染,但仅规定排气管道不能完全满足要求,建议洁净手术部的排水和透气管道均独立设置。
54.《建筑给水排水与节水通用规范》GB 55020- 2021 第 4.5.10 条“室外雨水口应设置在雨水控制利用设施末端,以溢流形式排放;”
《建筑给水排水设计标准》GB 50015-2019 第 5.3.2 条“小区雨水排水口应设置在雨水控制利用设施末端,以溢流形式排放;超过雨水径流控制要求的降雨溢流进入市政雨水管渠。”
问:(1)两本规范中的“室外雨水口”和“小区雨水排水口”是相同意思吗?
(2)《通用规范》是否指小区室外管网的接市政管网的排口,而不是我们通常理解的室外雨水口?
(3)设计中如何执行本条规范,是否可以理解为“室外排出口应设置在雨水控制利用设施(灰色+绿色)的末端,而不能绕过雨水控制利用设施进行排放。”因为这条是强条,是否可以引申为“没有经过雨水控制利用设施的雨水排水管是不被允许的”。
答复: (1)是的;(2)是室外雨水口;(3)小区雨水经收集在末端先进入雨水收集池,多余的雨水再经过溢流排至市政雨水管网。
55.生活水箱间的泄水管和溢流管采用间接排水,但是距排水沟的空气间隙应该标注多少?
答复: 按《建筑给水排水设计标准》GB 50015-2019 第 4.4.14 条和《二次供水工程技术规程》CJJ 140 第 6.1.8 条执行。
56.管道井内排水按《建水标》第 4.3.6 条文说明中规定“连接地漏的管道末端采取间接排水”。排至地下集水坑、室外雨水口、室外排水沟等算间接排水,那直接排入室外雨水检查井是否可行?
答复: 应以是否可以满足“间接排水”的空气间隙要求作为判定条件。排入室外雨水检查井不可行,除了降雨历时中存在满管流无法确保空气间隙外, 室外雨水管网还存在因种种原因排污水的现象,此时管道内的臭气会随着管道进入室内,造成室内的二次污染。
57.客房卫生间支管是否可在客房和走道降板空间或垫层内敷设?《建水标》第4.4.2-1 条“排水管道不得穿越客房有人员居住的房间”。
答复: 当没有物理隔断时,建筑专业图纸上应明确,布置洗手盆、洗涤盆的区域为类走道(类卫生间、类厨房)区域,然后采用同层排水方式接入排水主管道。
58.托儿所、幼儿园是否设计开水间?《托儿所、幼儿园建筑设计规范》JGJ39-2016 中“建筑章节:供应用房宜包括开水间;水章节:托儿所、幼儿园建筑应设置饮用水开水炉,宜采用电开水炉,开水炉应设置在专用房间内, 并应设置防止幼儿接触的保护措施”。
答复: 应根据《托儿所、幼儿园建筑设计规范》第 6.1.11 条设置开水炉专用房间,此处的开水炉是教工人员使用的,设置门禁等防止幼儿接触的保护措施即可。
59.单管集中热水供应系统,水加热设备出水温度该如何设置。
答复:单管集中热水供应系统采用冷热水混合的温控设备控制末端温度,与水加热设备出水温度无关。水加热设备出水温度一般不宜超过 60℃。
60.《建水标》第 6.3.7-2-5 条“公共淋浴室宜采用单管供应系统”;《幼儿园建筑规范》第 6.1.5 条“集中热水供应采用混合水箱单管供应系统”。《建水标》第 6.2.6-2 条“水加热设备出水温度范围(50℃-65℃)”,高于单管供水使用水温(37℃-40℃),提高设计水温目的是避免滋生军团菌类细菌,那么即便采用“混合水箱”,水温不也同样在 40℃范围,同样适宜军团菌滋生。
答复:混合水箱单管供应定温热水系统可以有效避烫伤问题,但混合水箱水温一般为 40℃,这也是军团菌最适宜的生长环境,即使系统中增加了独立的消毒设施,鉴于托幼自身属于弱势群体对军团菌的免疫力更低,建议在类似建筑在尽量少采用集中热水供应系统,可采用局部热水系统形式,并在局部热水系统中采用恒温混水阀。
对于公共浴室中的单管系统,也可以采用分布式热水供应系统(区域换热机组)或者智能电子混水阀来实现,做到可以自动高温消毒,并设置循环管道。
61.六层住宅楼屋顶设置太阳能热水器,市政供水压力供不到顶层,是否可以一至六层全部采用加压供水?
答复:这个需要看具体太阳能的方案。如果采用的集中采热-分户供热的方案,不需要采取全部加压供水;如果采取的分户采热-分户直接供热,太阳能板都设置在屋顶的方案,则需要保证每户的水压可以满足向屋顶自己的太阳能供水。全部加压供水方案一般不推荐。
62.《建筑给水排水与节水通用规范》GB 55020-2021 第 4.3.5 条“设有淋浴器和洗衣机的部位应设置地面排水设施。”规定了设有洗衣机的部位应设置地面排水设施,但是条文说明了又说对于住宅建筑采用的上排水洗衣机不采用地面排水方式的可不设置地面排水设施。本条属于强条,条文与条文说明不一致,如何执行?
答复:针对淋浴器和下排水洗衣机的地面排水设施是地漏,针对上排水洗衣机的排水设施可以是高出地面的排水专用接口。当设计出图时不能确定洗衣机类型时应设置地漏。
63.与节水通用规范》GB 55020- 2021 第 4.5.7 条“建筑高度超过 100m 的建筑的屋面雨水管道接入室外检查井时,检查井壁应有足够强度耐受雨水冲刷, 井盖应能溢流雨水。”
《建筑给水排水与节水通用规范》GB 55020- 2021 第 2. 0.13 室外检查井井盖应有防盗、防坠落措施,检查井、阀门井井盖上应具有属性标识。位于车行道的检查井、阀门井,应采用具有足够承载力和稳定性良好的井盖与井座。问:什么样的井盖能满足溢流雨水的要求?
答复: 井盖表面设有溢流孔洞,如国标图集15S412 中消能井的成品球墨井圈及篦子。
64.《建筑给水排水与节水通用规范》GB 55020- 2021 第 4. 5.12 条“大于 10hm2 的场地应进行雨水控制及利用专项设计,雨水控制及利用应采用土壤入渗系统、收集回用系统、调蓄排放系统。
问:雨水控制及利用专项设计具体有哪些要求,文件编制深度规定如何要求,是否要求进行水力模型评估?
答复: 关于场地雨水控制和利用,要按照海绵城市的设计规范及地方政府的指导性文件及要求执行,对于是否需要进行水力模型评估,一般的小区海绵设计不需要,除非当地政府有特殊需求。
65.用水点处水压大于 0.2MPa 的配水支管应采取减压措施,当设有集中热水系统时,保证冷热水压力平衡的技术方案或措施是什么?如何解决五星级宾馆要求用水点压力大于 0.20MPa 与规范强条之间的矛盾。
答复:
(1)冷热水同源,管道同程布置。
(2)规范原文中除了规定“用水点处水压大于 0.2MPa 的配水支管应采取减压措施”,还规定“应满足用水器具工作压力的要求”,因此五星级宾馆的用水器具工作压力大于 0.2MPa 时,应按“满足用水器具工作压力的要求”这一句执行。
66.用于污水管道系统的消毒池如何设计,执行标准或图集?
答复: 按照消毒接触时间采用成品消毒池或自行设计。因水质、消毒工艺不同, 接触消毒时间不同,消毒池的尺寸也不相同。可参照国家标准图集《小型生活 排水处理成套设备选用与安装》19S707 中的相关要求。
67.《室外排水设计标准》GB50014-2021 第 3.3.6“城镇已建有污水收集和集中处理设施时,分流制排水系统不应设置化粪池。”。
问:本条规定了分流制排水系统不应设置化粪池,是否设置化粪池是按当地水务部门管理规定还是根据此条规范执行?如何理解分流制排水系统,是指小区外排水管网是分流制,还是指小区所在整个排水区域的管网都要求是分流制,设计如何把握?
答复:按规范还是按水务部门的规定,属于行政问题而非技术问题。此处的分流制排水应该是指雨污分流。
68.压力废水管试验压力到底是怎么规定,之前的设计写的“按排水泵扬程的 2 倍进行水压试验”,审图老师提过“不应小于 0.6MPa”。压力废水管道试验压力的出处在何处?
答复:建议采用《建筑给水排水及采暖工程施工质量验收规范》GB50242-2002 第 4.2.1 条的规定执行。压力废水管采用的是承压管道,承压管道的最小工作压力为 0.6MPa。
69.医院(非传染病医院)污水处理设施前是否还需要设置化粪池,化粪池设置的容积计算标准是什么,(化粪池作为污水处理的预处理,没有相关明确的标准)
答复:医院(非传染病医院)污水处理设施前需要设置化粪池,在协会标准《医院污水处理设计规程》CECS07 和即将出版的的国家标准《医疗机构水污染物处理工程技术规范》中均有要求。化粪池容积应按现行国家标准《建筑给水排水设计标准》GB50015 的有关要求计算确定,非传染病医疗机构污水化粪池停留时间宜为 12h~24h,清掏周期宜为 90d~180d。
70.《节水规范》第 4.1.3 条,《通用规范》第 3.4.4 条:用水点处水压大于 0.2MPa的配水支管应采取减压措施,并应满足用水器具工作压力的要求。对于非传统水源供水系统,如雨水回用系统、中水系统中用水末端是否也要执行这一条?星级酒店客房等用水对水压有特殊要求的也要执行这一条吗?这个水压是指设计额定流量下的压力还是任何时候的水压?
答复:(1)建议都按照给水供水点的压力要求执行,但在结合项目分区时,可适当根据实际情况再做调整。(2)星级酒店也要按照规范的要求执行,规范原文中除了规定“用水点处水压大于 0.2MPa 的配水支管应采取减压措施”,还规定“应满足用水器具工作压力的要求”,因此五星级宾馆的用水器具工作压力大于 0.2MPa 时,应按“满足用水器具工作压力的要求”。(3)这个水压是指任何时候的水压。
71.《通用规范》第 3.4.8 条:绿化浇洒应采用高效节水灌溉方式。是否所有项目室外绿化浇洒、屋顶绿化浇洒等都必须采用节水灌溉方式,不能采用传统洒水栓?有些项目绿化面积很小,如何执行?喷灌是否也属于节水灌溉方式?
答复:严格意义上都应当考虑节水灌溉,因为无论从《通用规范》和《绿色建筑评价标准》对节水灌溉都有明确的要求。
72.《通用规范》第 4.3.5 条:设有淋浴器和洗衣机的部位应设置地面排水设施。对于某些公寓洗衣机设置在进门的简易热厨加工区,因降板浅等问题不想设置地面排水地漏而采用带存水弯的排水插口是否可行?
答复:规范规定的排水设施,并非单纯指地漏。当采用上排水洗衣机时,可采用管道插口排水。只要能满足排水器具的要求,没有溢水等状况的发生都是可行的。
73.《通用规范》第 4.4.5 条:生活排水设置成套污水提升设备,并且提升泵为一用一备,在其安装成套污水提升区域内设有 500×500×500 的小型集水坑,但集水坑内无备用泵,是否违反本条规定?
答复:污水提升装置须采用一用一备的水泵配设,污水提升间内的提升泵主要考虑地面冲洗或设备检修时的排水,可不设备用泵。
74.《通用规范》第 6.1.4 条与人体接触的喷泉水景水质应符合现行国家标准《生活饮用水卫生标准》的要求。但旱喷喷泉为喷出后通过地面流入集水池,地面本身就是直接暴露在室外,人在上面活动,旱喷开启后,地面污水随时都会污染下面的集水池。泳池循环水处理都无法达到饮用水标准,旱喷喷泉应采取何种措施达到规范要求?
答复:与人体接触的喷泉水景应设置循环水处理系统,通过一定的工艺(过滤及消毒)可以达到规范标准。泳池水要求的水质标准与饮用水标准不一致,不是不能达到。
75.《建筑给水排水设计标准》GB50015 第 4.3.6(3)条,一般小型公建和住宅管道井内是否可以用密闭地漏,而不做间接排水;
答复:可以采用密闭地漏,但应间接排水。
76.方舱和应急救治中心等传染医院空调水需要间接排至污水管道,空调水是否有细菌污染可能;
答复:有污染可能,所以要通过收集间接排至污水管道,经消毒及医院污水处理合格后才能允许排放至市政污水管网。
