
化粪池取消工程可行性评估的主要内容包括建设条件、运行情况以及其他可能影响工作开展的因素,开展建筑小区化粪池取消工程的改造至少应满足以下条件:
1 建设条件应满足以下内容:
1)该建筑小区所接入的外围市政管网系统建设完善,且小区内部排水管道与外围市政管网正确接驳。
2)该建筑小区室外排水管道系统已实现完全雨污分流;
3)该建筑小区处于城市水质净化厂服务范围。
4)该建筑小区使用独立的生活污水排放系统,无工业废水、含油污水或其他排水单位污水汇入。
5)化粪池位置明确,且管道管径、标高、坡度满足改造接驳条件。
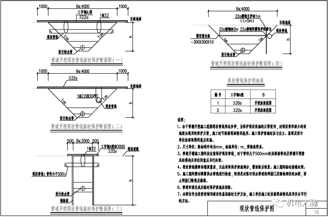
6)巷道空间较大,地下管线简单,方便开展改造工程。
2 运行情况应满足以下内容:
1)该建筑小区现状排水系统能够稳定运行,排水量在正常设计范围内。
2)该建筑小区下游接入的市政管网系统运行状况良好,不存在堵塞淤积及高水位运行的情况。
3)建筑小区及接入的市政管网系统不受下游污水泵站等排水设施运行的影响。
4)有规范的运管单位配合工程实施和效果监测。
6.2.1 工程设计内容主要包括现状化粪池拆除、污水管道敷设及有条件时的海绵设施建设等。
6.2.2 化粪池取消改造设计时,拆除现状化粪池,将建筑小区生活污水通过管道直接排入市政污水管网。具体设计方案如图 6-1 所示。

6.3.1 管道设计应满足以下要求:
1 管径及坡度的设计应满足以下要求:
1)建筑小区室外污水管道设计管径、坡度及充满度应符合表 6-1 要求。

2)在较小管径满足排水流量的情况下,不宜采用放大管径减缓管道坡度的措施。
3)可根据施工条件适当增大管道坡度以减少管道淤积情况。
2 污水管道在设计充满度下的最小设计流速为 0.6m/s,采用压力流时,压力管道的设计流速宜采用 0.7 m/s ~2.0 m/s。
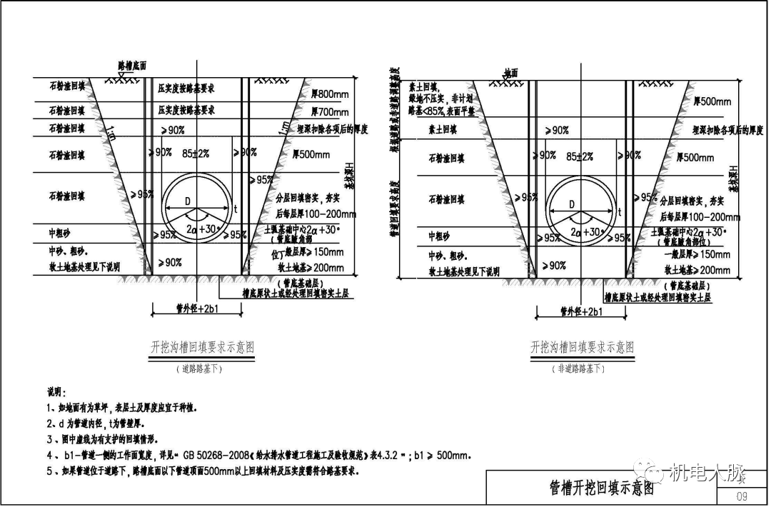
3 工程所用管材应满足国家和地方相关法律法规及其他规范要求,建议采用球墨铸铁、钢筋混凝土或高质量塑料类管材(如 PVC-UH 管),优先采用球墨铸铁管,不宜采用双壁波纹管。
4 除有水流跌落差外,宜采用管项平接;排水管道转弯和交接处,接入角度宜大于 135°,不宜采用等于或小于 90°,当管径小于等于 300mm 且跌落差大于0.3m 时,可不受此限制。
6.3.2 检查井设计应满足以下要求:
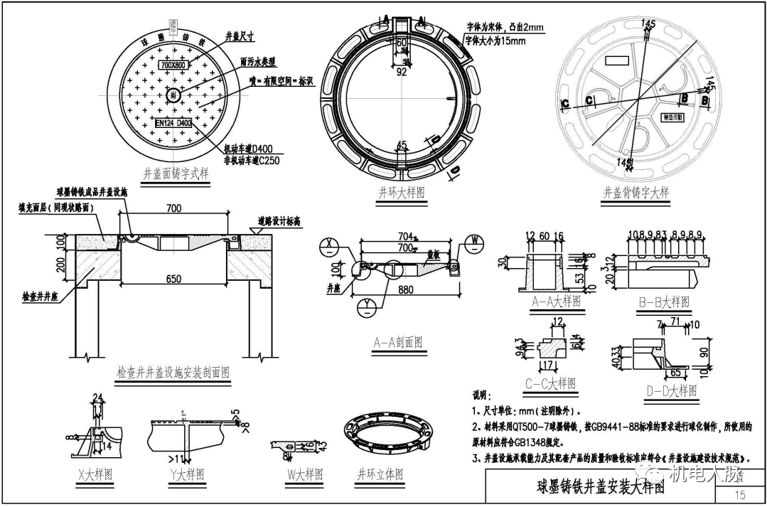
1 室外排水管应采用检查井连接,小区内检查井应选用市政工程常用的规格及型号。
2 检查井内径不宜小于 0.7m。
3 检查井必须设置流槽,检查井流槽的构造应严格按国家标准要求设置。
4 在最小管径管段处,有适当冲洗水源时可考虑设置冲洗井。
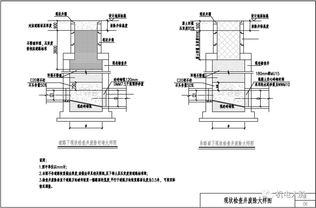
6.3.3 化粪池废除设计应满足以下要求:建筑小区进行取消化粪池改造后,应对现状化粪池进行全面清淤后做拆除废弃处理,位于道路下的采用石粉渣回填,压实度参照相应道路路基标准,非路面下的采用原土回填,压实度为 85%。
6.4.1 建筑或居住小区室外污水管道、市政污水管道及附属构筑物的设计、施工及验收应符合国家现行有关规范、标准图集等相关要求。
6.4.2 施工单位应严格按照设计图纸施工,重点是管道坡度和检查井流槽的设计。
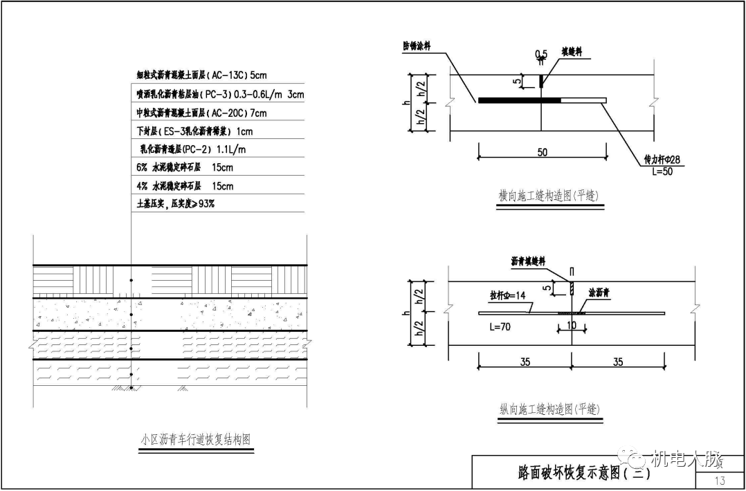
6.4.3 在路面破坏恢复过程后,有条件的地区宜增加海绵城市措施。
6.4.4 加强宣传,规范用户排水行为,禁止向马桶、洗脸池和洗菜池直接倾倒垃圾等不良行为。
















