
下文主要讲解上海中心的供电方案演变,供参考。从2022年开始国内严格限制超高层建筑的建设,上海中心这种类型的项目大概已成绝唱。超高层建筑供电方案本质上是围绕着应急变和备自投的设置变化,距离对系统的影响,当然也需要结合安装、运输、消防分区、业态、产权等等方面划分。
方案一:原始版(3路35kV+独立应急变)
最早为3路35kV系统供配电架构为基础,核心变化以应急变的设置为主,且可以分切为不同的单元:

3路35kV市政供电单元+燃汽发电机联供

避难层基本供电单元

风力发电单元

独应急变单元

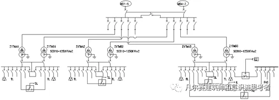
竖向供电分区图
方案二:进化版(3路35kV+全部10kV备自投)
大楼系统不再独立设置应急变而是结合了10kV备自投,租户用的应急单元也结合10kV备自投方式:

避难层基本供电单元

租户发电机急变单元备自投


竖向供电分区图
方案三:竣工版(2路110kV+10kV备自投,部分不备自投)
方案三变化较大,市政进线单元变为2路110kV单元,同时沿用了减少独立应急变的思路,另外租户发电机供电单元结合避难层供电基本提供低压,不在设置高压备自投:

2路110kV市政供电单元+燃汽发电机联供

租户发电机急变单元结合低压


2路110kV市政供电单元+燃汽发电机联供


塔冠风力发电平面