
随着社会经济的飞速发展,市民维权意识也不断增强,近年来住宅业主对底商餐饮油烟排放效果、漏油漏烟、串热等投诉问题屡见不鲜。笔者认为投诉问题的根源在于底商餐饮排油烟系统设计、施工及管理上存在不足,本文着重分析了重庆市场住宅底商餐饮排油烟系统的设计、施工及管理现状,提出一些个人观点,望引起参与各方的重视。
住宅底商餐饮排油烟系统包括排油烟设备、油烟净化设备、排油烟管道、排油烟口以及检修集油装置。
排油烟设备、油烟净化设备通常设置在餐饮小业主厨房内,由小业主自行采购和安装,餐饮油烟经油烟净化装置净化处理后,通过竖向排油烟井道至屋面直排或至屋面后经油烟接力风机收集后排至大气。
排油烟系统设计包括设备及管道的设计选型、系统的走向布置、排放口位置的考虑、管道材料的选择、检修集油装置的设置等几个方面,其中设备及管道的设计选型、管道材质的选择、排放口位置的考虑与环保投诉风险息息相关,设计时应重点关注。
油烟接力风机的排油烟风量、风机压头以及排油烟管道的大小能否满足实际运行的餐饮铺需求,决定了后期的运行排油烟效果,不利时会引发投诉。
排油烟风机的设计选型、排油烟管道的尺寸设计均与底商餐饮比例密切相关,设计人员在设计前期一般都会征求建设单位的意见,询问住宅底商餐饮比例,目前重庆市场各主流开发商比较认同的餐饮比例为40%~60%,比较负责或有前瞻性的开发商会选择上限餐饮比例,甚至会要求设计单位按100%的比例预留油烟接力风机位置,后期由物业根据排油烟系统的实际运行数据决定是否增设油烟接力风机。
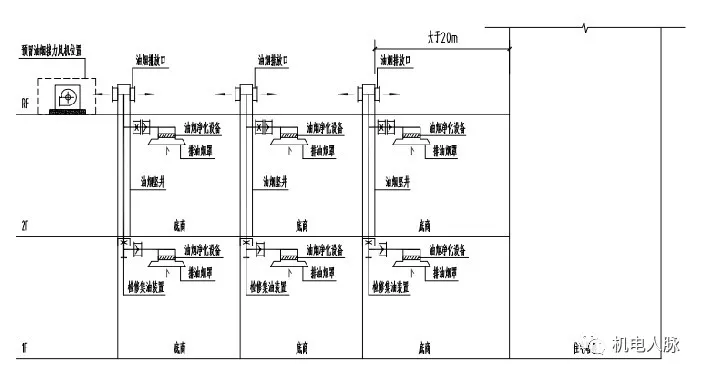
住宅底商餐饮排油烟系统的走向布置有两种常见做法。
一是每户商铺设置竖向烟道(见图一),铺内不允许有水平烟道穿越,通常见于各商铺竖向基本对齐或者是开发商对铺内管线布置的标准控制较严时。
二是各楼层设置水平排油烟管道再转接至竖向井道(见图二),通常见于比较粗放、不太重视细节的开发商,此做法存在水平烟道需占用小业主的使用空间、漏油漏烟的风险更高、检修不便等弊端。
图一
图二油烟的排放需满足相关规范和项目环评报告的要求。根据行业规范《饮食业环境保护技术规范》HJ554-2010第6.2 条规定:
饮食业单位应按GB/T16157的要求设置油烟排放检测口及检测平台,油烟排放应符合GB18483的要求。
经油烟净化后的油烟排放口与周边环境敏感目标距离不应小于20m。
饮食业单位所在建筑物高度小于等于15m时,油烟排放口应高出屋顶;建筑物高度大于15m时,油烟排放口高度应大于15m。
据调查,重庆市场各设计人员基本上能按行业规范和环评报告要求的排放高度和距离进行油烟排放设计,但是多数设计人员却忽略了油烟排放标准的要求,在设计文件中未明确油烟的最高允许排放浓度和油烟净化设施的最低去除效率,导致底商餐饮小业主不采购安装油烟净化设施或采购安装的油烟净化设施无法满足油烟排放标准要求,为油烟异味投诉埋下了隐患。
也正是基于这种现状,部分开发商提出油烟排放距离30m的设计标准要求,严于行业规范要求,这样既能体现地产企业的担当,又能规避后期底商营运期间油烟投诉的风险。
油烟排放管道材料的选择至关重要,关系到系统运行后是否漏油漏烟或是串热引起投诉。
油烟排放通道可采用土建风道或金属管道,从节约的角度出发,七八年前各设计人员通常按竖向土建风道,水平金属管道的方式进行设计,但随着近年来漏油漏烟及串热的投诉越来越多,各大开发商及设计人员也逐渐意识到问题的严重性,摒弃了以前的简单粗放做法,采用竖向及水平均采用金属管道的做法,更有负责任的开发商要求设计采用304不锈钢风管。
检修集油装置的设置极大地方便了系统运行后期的维护,为系统持久正常运行提供了保障。但检修集油装置的设计未引起设计人员的足够重视,大部分设计人员进行系统设计时未明确该装置的设置位置及相关要求。
设计单位按规范设计,施工企业按图施工、精细施工,从设备的安装、管道及附件的制作安装,到管道与设备的连接,再到系统的调试运行等方面均严格要求,工程验收合格后交付给一个懂法懂理的业主使用,并交由一个责任有担当的物业公司管理,这是住宅底商餐饮排油烟系统接近完美的全生命周期过程。
然而愿望是美好的,现实是骨感的。根据本人十几年工程验收现场情况、施工处理以及工程回访来看,住宅底商餐饮排油烟系统存在施工质量参差不齐、小业主使用不当、物业管理失职等问题。
施工企业不按图施工、不按规范施工。比如未按设计要求在土建竖井内安装金属风管、风管材质和厚度不按设计要求、风管连接不采用焊接、风管安装未按设计考虑放坡、未按施工验收规范进行系统的漏风测试等。
小业主不按设计和物管要求进行末端油烟风机及油烟净化设备的采购安装、违规改造过路油烟管道。部分业主为了一己私利,擅自加大末端油烟风机的风量和压头,极大增加了整个排油烟系统的负荷,更有业主无视环保要求,未加装油烟净化设备。
物业管理对排油烟系统的运行维护未做到尽职尽责,具体体现在未提前制定油烟接力风机的运行策略;底商交付后,未介入小业主排油烟系统的实施;未明确末端油烟风机、油烟净化设备的选型安装要求;未定期对系统设备及管道进行除油清洗;系统发生故障后不及时排查和解决;接到业主油烟投诉后不及时跟进处理。
DOI:10.16859/j.cnki.cn12-9204/tu.2019.08.028