
支吊架选型→现场定位测量尺寸→绘制加工详图及编号→型钢除锈防腐→下料→钻孔→焊接成型→防腐找补→面漆找补→支吊架编号
1)按照设计及管线综合布置图确定的支吊架形式、材质、规格、尺寸,精确下料、加工、焊接制作,彻底除锈干净,刷2遍防锈漆。
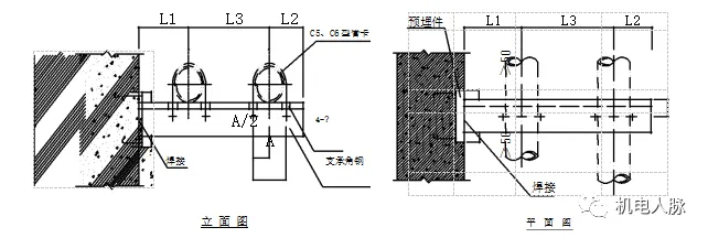
管线联合支吊架的形式图2)支吊架加工制作应机械切割钻孔,孔径为螺栓直径+2mm;支架端部打磨光滑、倒圆弧角,倒角半径为型钢端面边长的1/3~1/2,支架拐角处应采用45°拼接焊接,焊缝应饱满、打磨平滑。
支架端部连接示意图3)支吊架无设计时,应尽量选择《室内管道支架及吊架》03S402、《室内管道支吊架》05R417-1、《风管支吊架》03K132、《民用建筑电气设计与施工》D800-6~8图集中的支吊架形式。严格按图集形式、材质、规格、尺寸精准加工制作。
4)自行设计的联合支吊架,应进行受力分析计算,选择型钢规格,并复核承重、抗弯、抗剪强度等,报监理审批。
联合支架实例图5)常选用的几种支吊架结构形式:
(1)“Π”型支架

(2)“T”型支架

(3)“三角”型、“F”型支架

(4)弯头托架

(5)立管管道承重支架
非保温立管承重支架 保温立管承重支架(6)空调水立管、风管立管承重支架
空调水立管保冷承重支架 风管立管承重固定支架(7)空调水管道木托支架,木托与支架横担、扁钢卡环同宽,卡环与螺杆应满焊连接;在与支架连接处应垂直,扁钢端部与支架宜留有5~8mm收缩余量,卡环端部外露支架的螺栓宜采用圆头螺帽收头,油漆涂刷应均匀。
空调水管木托支吊架示意图(8)管道减震支架,设计要求时使用
管道减震支架样板图(9)防晃支架,自动喷淋管道使用。
防晃支架示意图6)有条件的项目或创高优项目尽量使用工厂化组合支吊架。
组合支吊架示意图
组合支吊架实例图支吊架结构应合理、美观,焊接焊缝应饱满、牢固,焊波平滑,支吊架型钢不得采取气割切割和气割开孔,支吊架端部应光滑、倒角圆顺。
1)膨胀螺栓式支吊架安装工序
按支吊架编号现场定位、找平→钻孔→安装膨胀螺栓生根→支吊架与膨胀螺栓紧固→面漆找补→管道固定
2)预埋钢板式支吊架安装工序
前期确定支吊架的位置→结构施工时预埋钢板铁件并编号→按照支吊架编号就位→确定支吊架标高水平线→将支吊架与预埋钢板焊接→管道固定
1)支吊托架位置应合理,埋设应平整牢固。管道在距转弯处200-300mm、距三通、四通分支处200-300mm应设置支吊架;支吊架应离开焊缝不小于50mm。支吊架尽量安装在梁、柱、墙承重结构上,安装在楼板上时应不大于楼板允许的负荷。大型阀门应单独设支架。
支吊架设置实例图
管道卡箍两侧设置支吊架实例图
支吊架安装在梁、板、柱的实例图2)供冷、供热管道应按设计位置安装固定支架,固定支架与管道接触应紧密,固定应牢靠。滑动支架应灵活,滑托与滑槽两侧间应留有3~5mm的间隙。
3)无热伸长管道的吊架、吊杆应垂直安装。有热伸长管道的吊架、吊杆应向热膨胀的反方向偏移。
4)钢管水平安装的支、吊架间距不应大于下表规定。

5)塑料管及复合管支吊架最大间距,不大于下表规定。

6)铜管垂直或水平安装的支架间距,不大于下表规定。

7)金属管道立管支架楼层高度小于或等于5m,每层设置1个,距地面应为1.5~1.8m;楼层高度大于5m,每层不得少于2个,安装高度应匀称安装;同一房间支架应安装在同一高度上。
管道支架安装示意图8)排水塑料管道支吊架间距,不大于下表规定。

9)塑料管及复合管、不锈钢管、铜管采用金属制作的管道支架,应在管道与支架间加衬非金属垫或套管。
10)风管水平安装,直径或长边尺寸小于等于 400mm,间距不应大于 4m;大于400mm,不应大于3m;直径或边长大于2500mm 的超宽、超重等特殊风管的支、吊架应由设计确定。风管垂直安装,间距不应大于 4m,单根直管至少应有 2 个固定点。
11)支、吊架不宜设置在风口、阀门、检查门及自控机构处,离风口或插接管的距离不宜小于200mm。
12)当水平悬吊的主、干风管长度超过20m时,应设置防止摆动的固定点,每个系统不应少于1个。
13)桥架水平支吊架间距为1.5m-3.0m,采用圆钢吊架时,圆钢直径不小于8mm,并设置部分防晃支架,在分支处及端部0.3-0.5m处设固定支架。垂直安装支架间距不大于2.0m。
14)明配电管采用圆钢吊架时,圆钢直径不小于8mm,并设置部分防晃支架,在分支处及端部0.3-0.5m处设固定支架。在分支处及端部0.3-0.5m处设支架,支吊架间距不大于规定要求。
15)自动喷淋支吊架与喷头之间的距离不宜小于300mm;与末端喷头之间的距离不宜大于750mm。直径等于或大于50mm时,每段配水干管或配水管设置防晃支架不应少于1个,且防晃支架的间距不宜大于15m;当管道改变方向时,应增设防晃支架。
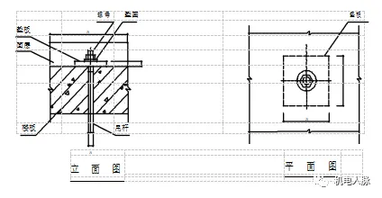
16)支架优先采用预埋钢板作为支吊架的受力点,再与支吊架焊接固定。预埋钢板应位置正确,与墙面、楼板面平整,焊接应牢固。
楼板预埋钢板式吊架图
墙体体预埋钢板式支架图
三角式支架图17)采用膨胀螺栓加钢板作为受力点时,选择膨胀螺栓规格、型号、抗拉、抗剪强度应满足管道、设备负荷要求,膨胀螺栓个数经计算选择。螺栓距钢板边沿尺寸应为25~30mm,受力根部应加垫片。
膨胀螺栓钢板与吊杆的焊接尺寸图
膨胀螺栓楼板式吊架图
膨胀螺栓墙体式支架图18)较大管道及设备安装宜采用穿透楼板式吊架,选择吊杆、垫板规格应满足对管道、设备的承载力的1.5倍。
穿透楼板式吊架图支架、吊架应位置合理、安装牢固、横平竖直、成线排列。