商务合作
顾问需求
文章投稿
招聘发布
产品推广
讲师报名
机电人脉共享顾问平台
搜索
文章详情
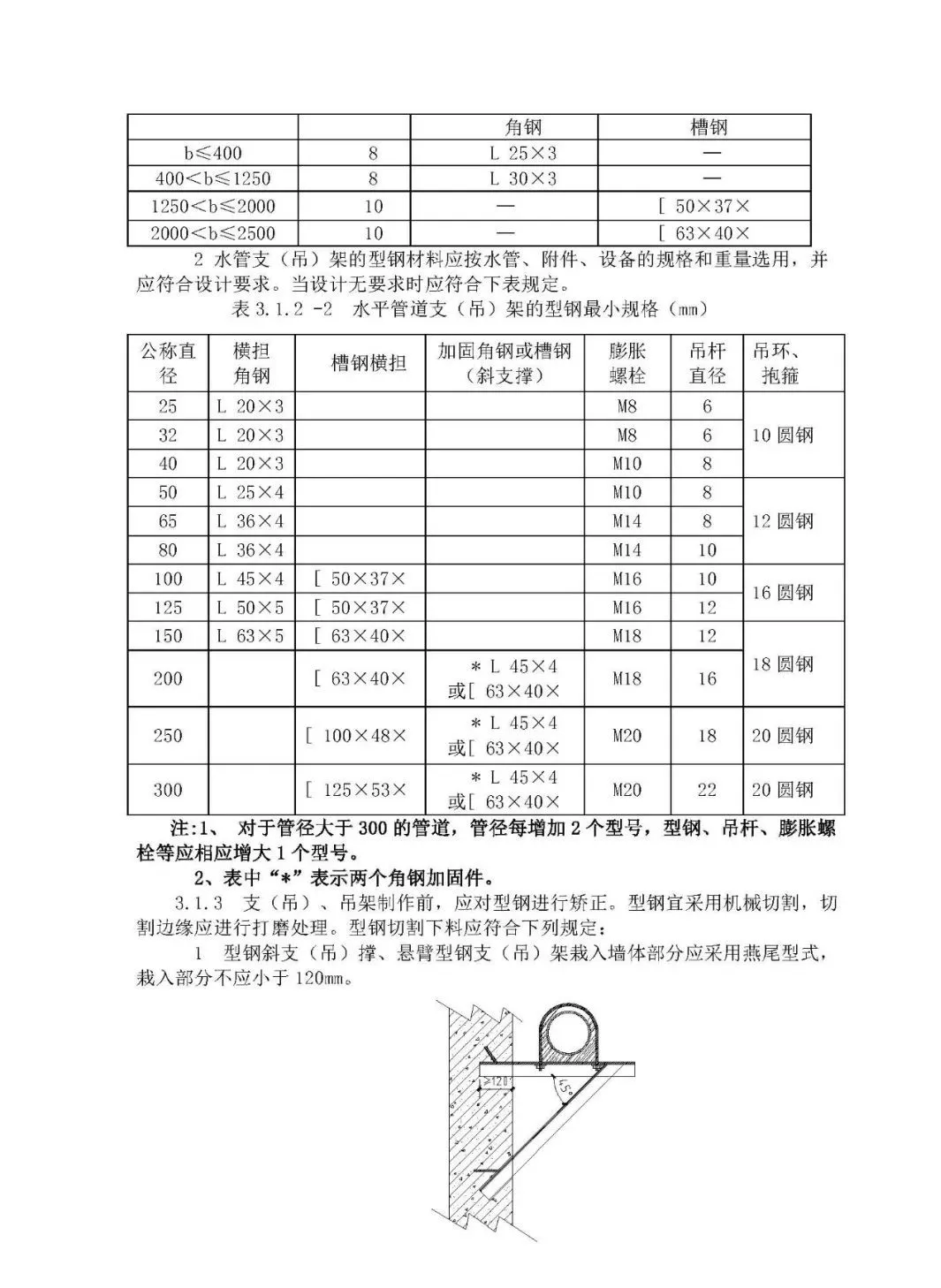
【微分享】管道支吊架用多大型钢?整理支吊架制安标准和选材表,看了就懂!
2024-07-02
【重磅推出】“散装顾问”服务
如果您觉得本文对您有帮助,请留言“有用”或点个赞,小编会倍受鼓舞
版权声明:本文整理自网络,侵权请联系删除。
声明:更多文章请关注机电人脉公众号,每日更新,超多干货。
http://m.mep-link.com.cn/h-nd-856.html
阅读256
分享
写评论...
发表评论
登录评论
匿名评论
提交
提交
推荐文章
【微分享】成品支吊架应用与成本分析
【重磅推出】“散装顾问”服务#1成品支架的概念:成品支架又称装配成品支架,顾名思义就是装配式组合安装,该支架一般都是预制件,现场直接拼装,无需焊接和切割等现场加工。#2成品支架发展历程:最早起源于20世纪30年代的北美unistrut(尤尼斯壮)公司,发展至今,已是欧美地区工商建筑中的常规产品。90年代,成品支吊架进入中国市场,首个大 型使用成品支吊架的项目是天津摩托罗拉,随后上海金茂、大众...
【微分享】管道综合支吊架设计计算
【重磅推出】“散装顾问”服务#1管道支吊架跨距管架的跨距的大小直接决定着管架的数量。跨距太小造成管架过密,管架数量增多,费用增高,故需在保证管道安全和正常运行的前提下,尽可能增大管道的跨距,降低工程费用。但是管架跨距又受管道材质、截面刚度、管道其它作用何载和允许挠度等的影响,不可能无限的扩大。所以设计管道的支吊架应先确定管架的最大跨距。根据相关规范规定的管道支吊架最大间距确定管道最大允许跨度...
【微分享】管线综合支吊架BIM优化设计
【重磅推出】“散装顾问”服务原文发表于2020-06-04:【微分享】如何使用BIM技术优化设计管线综合支吊架随着机电安装工程管线的越来越复杂,传统的管线支吊架问题日益凸显,诸如:成排支吊架形式不一致、支吊架设置位置不合理……支吊架形式不一致支吊架设置位置凌乱支吊架形式不一致、安装朝向不同支吊架形式不一致、设置位置凌乱管线综合支吊架的出现解决了这一问题,将给排水、暖通、电气、消防等机电安装各...
【微分享】管线综合支吊架施工实例赏析,工艺流程全面解读!
【重磅推出】“散装顾问”服务管线综合支吊架是在安装工程中将给排水、暖通、电气、消防等各专业的支吊架综合在一起,统筹规划设计,整合成一个统一的支吊架系统,有利于节约成本、加快施工进度、提高观感质量,并最大限度的节省空间。实例赏析武汉建工集团在工程中应用并总结的管线综合支吊架施工工法,以供大家学习应用!管线综合支吊架技术优势多多↓↓↓给排水系统、空调水系统、空调风系统、消防平层主管、强弱电桥架,...
【微分享】实例图文详解支吊架制作安装标准
【重磅推出】“散装顾问”服务1、支吊架钻孔、切割应该采用机械方式,不得采用气割与电焊方式。螺栓钻孔应该与螺栓大小一致。2、支架切割断面的毛刺应清打磨清理,切割与钻孔部位均应防腐处理。3、支架末端螺栓孔边缘距支架边缘距离为螺栓孔直径的2.5倍。4、管道卡螺栓孔间距应该事先放线确定。5、槽钢吊架下料采用45°角下料,两面切割,一面不切割煨弯至90°。6、槽钢吊架45°角满焊焊接,焊缝饱满平直。7...
【微分享】管道支吊架技术交底(上):相关规范、支吊架形式及管综避让原则介绍
【重磅推出】“散装顾问”服务作者 杨立战 | 编辑 机电人脉原文发表于2023-04-25:【微分享】管道支吊架技术交底(上):相关规范、支吊架形式及管综避让原则介绍#1支、吊架制作及安装规范与设计要求电气专业要求:1、电缆桥架水平安装支架间距为1.5m~3m(合同标准要求1.5m);垂直安装的支架间距≤2m,对于大跨距桥架应每3~4m设置一个支吊架,转弯处应增设支架。2、母线槽支架设置应在...
【微分享】管道支吊架技术交底(下):现场安装及细部做法介绍
【重磅推出】“散装顾问”服务作者 杨立战 | 编辑 机电人脉原文发表于2023-04-26:【微分享】管道支吊架技术交底(下):现场安装及细部做法介绍#4现场安装及细部做法弯头托架导向支架固定支架管道加肋板支撑综合支架分集水器支架桥架母线支架电缆桥架水平支架支架与螺帽间加设垫片;螺帽下端丝杆外露2-3丝;支架与桥架间用圆头螺栓固定。小于等于200mm中间一个,大于200mm在1/4处各设置1...
【微分享】管道支吊架固定支架与补偿设计
【重磅推出】“散装顾问”服务管道支架及补偿设计点击文末阅读原文下载http://app.mep-link.com.cn/EngineeringDataInfo.aspx?id=1891如果您觉得本文对您有帮助,请留言“有用”或点个赞,小编会倍受鼓舞版权声明:本文整理自网络,侵权请联系删除。
【微分享】支吊架制作与安装标准做法图文解析
【重磅推出】“散装顾问”服务编辑 机电人脉支吊架制作1 施工工序支吊架选型→现场定位测量尺寸→绘制加工详图及编号→型钢除锈防腐→下料→钻孔→焊接成型→防腐找补→面漆找补→支吊架编号2 工艺控制要点1)按照设计及管线综合布置图确定的支吊架形式、材质、规格、尺寸,精确下料、加工、焊接制作,彻底除锈干净,刷2遍防锈漆。管线联合支吊架的形式图2)支吊架加工制作应机械切割钻孔,孔径为螺栓直径+2mm;...
【微分享】消防管道支吊架选型表
【重磅推出】“散装顾问”服务1、管道支吊架间距的具体要求:1.1 镀锌钢管支架最大间距如下表2、支吊架选型注:具体情况根据现场情况确定。 2.1 单管支架选型图集如下图:2.2 单管支架选型型号如下表:2.3 双管支架选型图集如下图:2.4 双管支架选型型号如下表:2.5 三管支架选型图集如下图:2.6 三管支架选型型号如下表:2.7 四管支架选型图集如下图2.8 四管支架选型型号如下表:如...
【微分享】大型管道支吊架计算选型及安装施工
【重磅推出】“散装顾问”服务下载请点击阅读原文中建三局大型管道支吊架设计选型参考文档.ppthttp://app.mep-link.com.cn/EngineeringDataInfo.aspx?id=1246如果您觉得本文对您有帮助,请留言“有用”或点个赞,小编会倍受鼓舞版权声明:本文整理自网络,侵权请联系删除。未经许可,禁止以机电人脉编辑版本转载。
【微分享】管道支吊架计算书复核指南
机电人脉整理,原文发表于2022-12-16:【微分享】复核管道支吊架计算书,这些参数需关注为了更好的对施工单位计算、安装的管道支吊架的安全性进行排查,在对计算书进行复核时,需要对主要参数给予确定。以下主要参数来源于国家标准《管道支吊架》(GB/T 17116.1~3—1997)和国标图集《室内管道支架及吊架》(03S402/给排水)、《室内管道支吊架》(05R417-1/暖通)中的相关规定...
【微分享】管线综合支吊架的设计计算与施工
原文发表于2021-07-31:【微分享】管线综合支吊架的设计计算与施工管线综合支吊架是在安装工程中将给排水、暖通、电气、消防等各专业的支吊架综合在一起,统筹规划设计,整合成一个统一的支吊架系统,有利于节约成本、加快施工进度、提高观感质量,并最大限度的节省空间。实例赏析武汉建工集团在工程中应用并总结的管线综合支吊架施工工法,以供大家学习应用!#1管线综合支吊架优势给排水系统、空调水系统、空调...
【微分享】管中窥豹之管道支吊架
【重磅推出】“散装顾问”服务管中窥豹:从竹管的小孔里看豹,只看到豹身上的一块斑纹。比喻只看到事物的一部分,指所见不全面或略有所得,也比作从观察的部分推测到全貌。管道支吊架是指用于支承管道或约束管道位移的各种结构但不包括土建的结构的总称,是一个很大的门类。民用建筑中能使用到的支吊架只是其中一小部分,更多的利用于火电厂、核电厂和化工炼油企业等工程热力管道和设备。就像机电专业在民用建筑中的发挥也有...
【微分享】管道支架及补偿设计
管道支架及补偿设计下载请点击阅读原文http://app.mep-link.com.cn/EngineeringDataInfo.aspx?id=1891如果您觉得本文对您有帮助,请留言“有用”或点个赞,小编会倍受鼓舞版权声明:本文整理自网络,侵权请联系删除。未经许可,禁止以机电人脉编辑版本转载。
【微分享】机电支吊架创优质量控制
【重磅推出】“散装顾问”服务2017年~2022年,有幸参与了5个国家级奖项的现场复查引导工作,并收集了近10个创优项目中复查专家反馈的机电安装质量问题,包括机场、场馆、商业、医院等各种业态,无一例外都提及了机电支吊架质量问题。2018年5月万达常熟支架掉落事件警示我们——机电支吊架质量控制是机电安装中不可缺少的重要的环节。#1机电支吊架质量问题剖析收集11个创优项目,机电安装复查问题共计2...
【微分享】综合支吊架应用与成本对比分析
【重磅推出】“散装顾问”服务#1综合支架与传统支架在机电合同中占比对比结合以往项目经验,水、电、暖全专业支架造价在机电合同内的占比约3%~5%左右,项目业态不同存在差异。结合项目做联合支架体系与传统支架对比如下:经过测算,若使用传统及规范要求的最低做法:共使用型钢共219.8吨。而使用综合支架体系,实际使用钢材232.5吨。比传统及规范要求的最低做法多使用12.7吨,占钢材总重量5.5%,合...
【微分享】空调水管支吊架安装方法
【重磅推出】“散装顾问”服务原文发表于2020-07-20:【微分享】空调水管预制与支吊架安装方法依据规范、标准:1.《通风与空调工程施工验收规范》(GB50243);2.《工程建设标准强制性条文(房屋建筑工程(机电工程))》;3.《通风管道技术规程》(JGJ141);4.《建筑节能工程施工质量验收规范》(GB50411);5.《空调通风管道的加固》(14K118);6《通风与空调工程通用图...
【微分享】设置传统支吊架了,还有必要设置抗震支吊架吗?
【重磅推出】“散装顾问”服务刷到一篇文章,作者对设置抗震支架的技术合理性提出了疑问,并进行了验算。比较少见,分享供参考。作者认为《机电抗震设计规范》中设置抗震支架时并未考虑传统支架的承载能力、安装数量及布置间距,并且抗震支架所增加费用超过传统支架费用数倍,因此认为增设“抗震支架” 在技术、经济合理性方面存在问题。并就假设模型按设置传统支架与增设抗震支架两种情况进行演算,结论是设置传统支架,管...
【微分享】抗震支架与防晃支架位置重合可只设抗震支架
当管段设置抗震支架与防晃支架重合时,可取消防晃支架只设抗震支承!广东省标准《建筑工程消防施工质量验收规范》6.1.6消防给水和各类喷水灭火系统管径大于或等于DN65的水平管道,当采用吊架、支架或托架固定时,应按现行国家标准《建筑机电工程抗震设计规范》GB50981的规定设置抗震支承。室内自动喷水灭火系统和气体灭火系统等消防系统还应按相关施工及验收规范的要求设置防晃支架;管段设置抗震支架与防晃...