
GB55024-2022《建筑电气与智能化通用规范》8.7.1~8.7.2


GB50303《建筑电气工程施工质量验收规范》第11章



竖井内桥架敷设

潮湿场所敷设

不同种类线缆敷设

采用槽盒种类、防火封堵、与吊顶间距、伸缩缝

桥架接地

抗震支吊架




1.不同电压等级的线缆合用同一线槽时,线槽内应有隔板分隔;
2.火灾自动报警系统与低压配电线路合用竖井时,应将火灾自动报警系统用的电缆和低压配电线路电缆分别布置在竖井的两侧。
1.宜采用配套连接件(连接板、三通、弯头等);
2.现场加工连接件,规格尺寸及弯曲倍数应符合要求。
钢制镀锌桥架:连接板每端≥2个防松动螺栓
钢制非镀锌桥架:≥4mm²黄绿色多股铜芯软导线
长度≤30m时,首末端进行接地;长度>30m,首末端及每隔 30米进行接地。
直线段长度超过 30m 时设置伸缩节
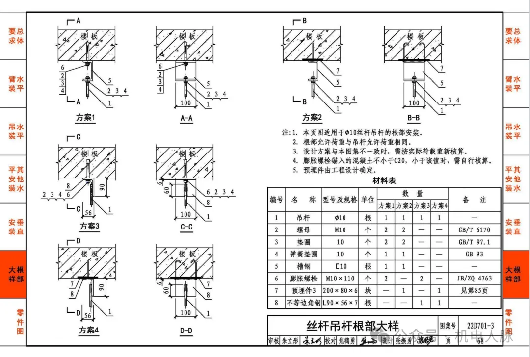
1.采用 2m长标准段时,间距为 1.5m,采用大跨度规格时,间距为 3.0m,垂直敷设时支架间距为 2.0m;分支处、端部 0.3m处设置固定支架;
2.竖向敷设每隔 3层设置承重支架;
3.吊架用圆钢直径≥8mm;
4.吊架固定螺母应为横担上侧 1个,下侧 2个,丝杆端部出螺母长度为 0.5倍螺母厚度。
5.支吊架用型钢端部倒圆角处理,吊杆端部磨圆;
6.型钢防腐采用防锈底漆 2 道+灰色面漆 2 道(镀锌型钢除外);
7.支吊架横担与梯架、托盘和槽盒逐点固定,宽度<400mm时一点固定,宽度≥400mm 时两点固定。
梯架、托盘和槽盒截断处断面及开孔处,均做防腐处理,防锈漆 2道 + 与梯架、托盘和槽盒同色面漆 2 道。
四周各预留 30mm 宽度,进行防火封堵
高度≥80mm

消防回路桥架可采用防火桥架,防火措施按照JB/T 10216-2013《电控配电用电缆桥架》要求采用热固性粉末静电喷涂,表面防护层≥60μm,无耐火极限要求。

成排桥架吊杆间距大于800的,中间增加一根丝杆,并排桥架间隙最小6cm.

22D701-3《电缆桥架安装图集》




金属槽盒过建筑物变形缝示意图



金属梯架、托盘、槽盒与保护导体连接示意图

24DX002-1《建筑电气与智能化通用规范图示》:【微分享】电缆桥架敷设强条图示
案例:



桥架标识尺寸

桥架标识样例



水管、线管桥架等各类管道拐弯处两端应设置固定支架,在拐角45°处应设置吊架,避免放电缆后压弯下垂

支架横担两端应倒角处理
梁上固定的固定支架在梁上端1/3以上固定
桥架防火封堵防火板切4块梯形板拼接

新型合并大三通施工应用技术:
本项目走廊区域桥架综合排布密集,综合管线标高净高要求高,不能影响精装吊顶标高要求。优化后采用的合并大三通安装方法,安装速度快、效率高,桥架大三通节点安装节省了工期,加快了工程进度;节省了管线交叉高度,提升空间净高。




强弱电间封堵

支吊架安装大样

桥架安装大样




防火封堵做法


机电管线穿越伸缩缝做法



桥架与人防套管过度细部做法

桥架三通交叉处采用高位下接(适用于小电缆系统),减少桥架翻弯,节省安装空间,提高净高。末端侧边封板美化


其他现场图片












1、非镀锌电缆桥架间连接板的两端跨接铜芯接地线,接地线最小允许截面积不小于4mm²;镀锌电缆桥架间连接板的两端不跨接接地线,但连接板两端不少于2个有防松螺帽或防松垫圈的连接固定螺栓。
2、在进出箱(柜)拐角、转弯和变形缝两端及丁字接头的三个端点500mm以内应设支撑点,且吊杆距线槽接缝距离一致。
3、桥架应有防晃支架,在分支处或端部0.3~0.5m 处应有固定支架。
4、当桥架经过建筑物伸缩缝或桥架直线长度大于30m(铝合金及其它材料直线段长度大于15m)时,应设置伸缩节。
5、桥架全长不少于2处与保护导体可靠连接,全长大于30m时,每隔20m~30m增加一个连接点,起始端和终端均应可靠接地。